Anmelden
Hochladen
Herunterladen
Inhalt
Inhalt
Zu meinen Handbüchern
Löschen
Teilen
URL dieser Seite:
HTML-Link:
Lesezeichen hinzufügen
Hinzufügen
Handbuch wird automatisch zu "Meine Handbücher" hinzugefügt
Diese Seite drucken
×
Lesezeichen wurde hinzugefügt
×
Zu meinen Handbüchern hinzugefügt
Anleitungen
Marken
TomTom WORK Anleitungen
GPS
LINK
Installationsanleitung
Schéma De Connexion - Tomtom Work Link Installationsanleitung
Vorschau ausblenden
1
Inhalt
2
3
4
5
6
7
8
9
10
11
12
13
14
15
16
17
18
19
20
21
22
23
24
25
26
27
28
29
30
31
32
33
34
35
36
37
38
39
40
41
42
43
44
45
46
47
48
49
50
51
52
53
54
55
56
57
58
59
60
61
62
63
64
65
66
67
68
69
70
71
72
73
74
75
76
77
78
79
80
81
82
83
84
85
86
87
88
89
90
91
92
93
94
95
96
97
98
99
100
101
102
103
104
105
106
107
108
109
110
111
112
113
114
115
116
117
118
119
120
121
122
123
124
125
126
127
128
129
130
131
132
133
134
135
136
137
138
139
140
141
142
Seite
von
142
Vorwärts
/
142
Inhalt
Inhaltsverzeichnis
Lesezeichen
Inhaltsverzeichnis
Verfügbare Sprachen
DE
EN
FR
IT
ES
NL
PT
Mehr
Verfügbare Sprachen
DEUTSCH, seite 23
ENGLISH, page 4
FRANÇAIS, page 43
ITALIANO, pagina 83
ESPAÑOL, página 103
DUTCH, pagina 63
PORTUGUÊS, página 123
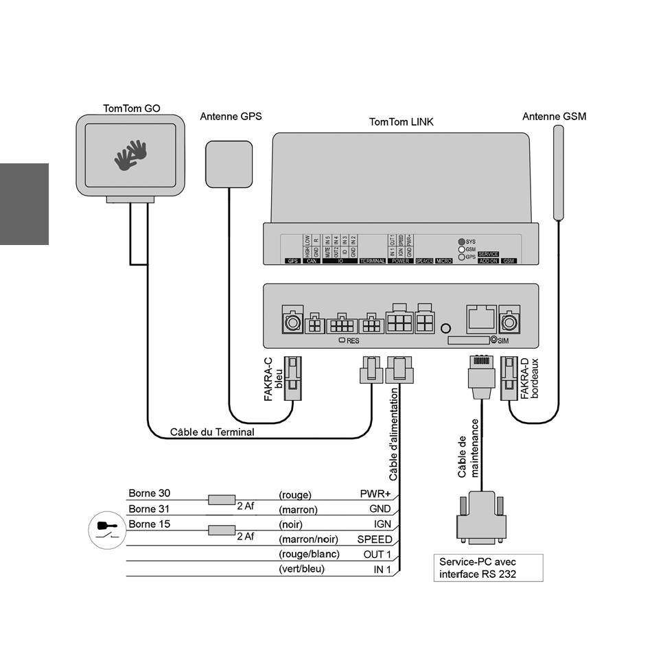
Schéma de connexion
Sché
ma
de
conn
exio
n
FR
48
Inhalt
sverzeichnis
Vorherige
Seite
Nächste
Seite
1
...
45
46
47
48
49
50
51
52
Inhaltsverzeichnis
Verwandte Anleitungen für TomTom WORK LINK
GPS TomTom WORK LINK 310 Installationshandbuch
(169 Seiten)
Inhaltsverzeichnis
Drucken
Lesezeichen umbenennen
Lesezeichen löschen?
Möchten Sie es aus Ihren Handbüchern löschen?
Anmelden
Anmelden
ODER
Mit Facebook anmelden
Mit Google anmelden
Anleitung hochladen
Von PC hochladen
Von URL hochladen