Herunterladen Inhalt Inhalt Diese Seite drucken

Compit SolarComp 951 Bedienungs- Und Montageanleitung Seite 27

Inhaltsverzeichnis
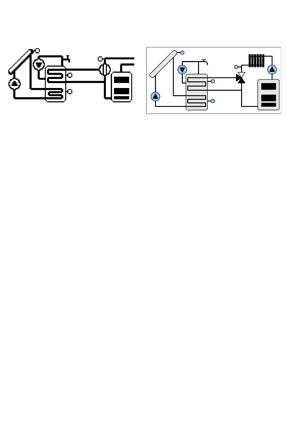
Schema 9
Beladung des Speichers vom Sonnenkollektor, Schema mit drei Sensoren
Unterstützung des Rücklaufs in der Heizungsanlage
Steuerung der Zirkulationspumpe
Beladung des Speichers
Die Beladung des Speichers wurde auf der Seite 22 (Schema 2) beschrieben.
ZH-Unterstützung
Die Aufgabe der ZH-Unterstützung besteht in der Erwärmung des Rücklaufs von der
ZH-Anlage. Dies geschieht mit Hilfe des Schaltventils.
Die Funktion, die im Parameter D.13 MIN. SPEICHERTEMP. KESSELUNTERST.
beschrieben ist, schützt vor der übermäßigen Abkühlung des Brauchwasserspeichers.
Wenn die Speichertemperatur (T3) unter den eingestellten Wert sinkt, wird die
Unterstützung ausgeschaltet. Die Hysterese für den Parameter D.13 beträgt 3K.
Die Rücklaufunterstützung ist vom Temperaturunterschied zwischen dem Speicher
und dem Rücklauf von Anlage (T3-T4) abhängig.
Die Unterstützung wird eingeschaltet, wenn der Unterschied T3-T4 größer als 5K ist.
Die Unterstützung wird ausgeschaltet, wenn der Unterschied T3-T4 bis auf 1K sinkt.
Zirkulation des Brauchwasserspeichers
Die Arbeit der Zirkulationspumpe des Brauchwassers wurde auf der Seite 19
beschrieben.
Bedienungsanleitung SOLARCOMP 951 Version u5.x, Ausgabe 1
T1
P3
P1
T4
Z
T3
T2
27
Inhaltsverzeichnis
loading

Inhaltsverzeichnis