Herunterladen Inhalt Inhalt Diese Seite drucken

Compit SolarComp 951 Bedienungs- Und Montageanleitung Seite 22

Inhaltsverzeichnis
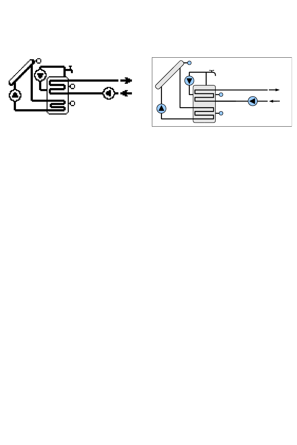
Schema 4
Beladung des Speichers vom Sonnenkollektor mit drei Sensoren
Steuerung der Zirkulationspumpe
Wärmeabwurf vom Speicher
Beladung des Speichers
Die Beladung des Speichers wurde auf der Seite 20 (Schema 2) beschrieben.
Wärmeabwurf
Die Temperatur, bei der die Wärme abgeworfen wird, können Sie im Parameter D.08
T3 TEMP. WÄRMEABWURF einstellen. Die Hysterese beträgt 2K.
Der Urlaubsbetrieb beeinflusst nicht den Wärmeabwurf.
Zirkulation des Brauchwasserspeichers
Die Arbeit der Zirkulationspumpe des Brauchwassers wurde auf der Seite 19
beschrieben.
22
Bedienungsanleitung SOLARCOMP 951 Version u5.x, Ausgabe 1
T1
P3
P1
T3
P2
T2
Inhaltsverzeichnis
loading

Inhaltsverzeichnis