Anmelden
Hochladen
Herunterladen
Inhalt
Inhalt
Zu meinen Handbüchern
Löschen
Teilen
URL dieser Seite:
HTML-Link:
Lesezeichen hinzufügen
Hinzufügen
Handbuch wird automatisch zu "Meine Handbücher" hinzugefügt
Diese Seite drucken
×
Lesezeichen wurde hinzugefügt
×
Zu meinen Handbüchern hinzugefügt
Anleitungen
Marken
Wilo Anleitungen
Steuerung
CC-System
Einbau- und betriebsanleitung
Wilo CC-System Einbau- Und Betriebsanleitung Seite 2
Vorschau ausblenden
1
2
3
4
5
6
7
8
9
10
11
12
13
14
15
16
17
18
19
20
21
22
23
24
25
26
27
28
29
30
31
32
33
34
35
36
37
38
39
40
41
42
43
44
45
46
47
48
49
50
51
52
53
54
55
56
57
58
59
60
61
62
63
64
65
66
67
68
69
70
71
72
73
74
75
76
77
78
79
80
81
82
Seite
von
82
Vorwärts
/
82
Inhalt
Inhaltsverzeichnis
Fehlerbehebung
Lesezeichen
Inhaltsverzeichnis
Verfügbare Sprachen
DE
EN
FR
NL
Mehr
Verfügbare Sprachen
DEUTSCH, seite 1
ENGLISH, page 24
FRANÇAIS, page 43
DUTCH, pagina 61
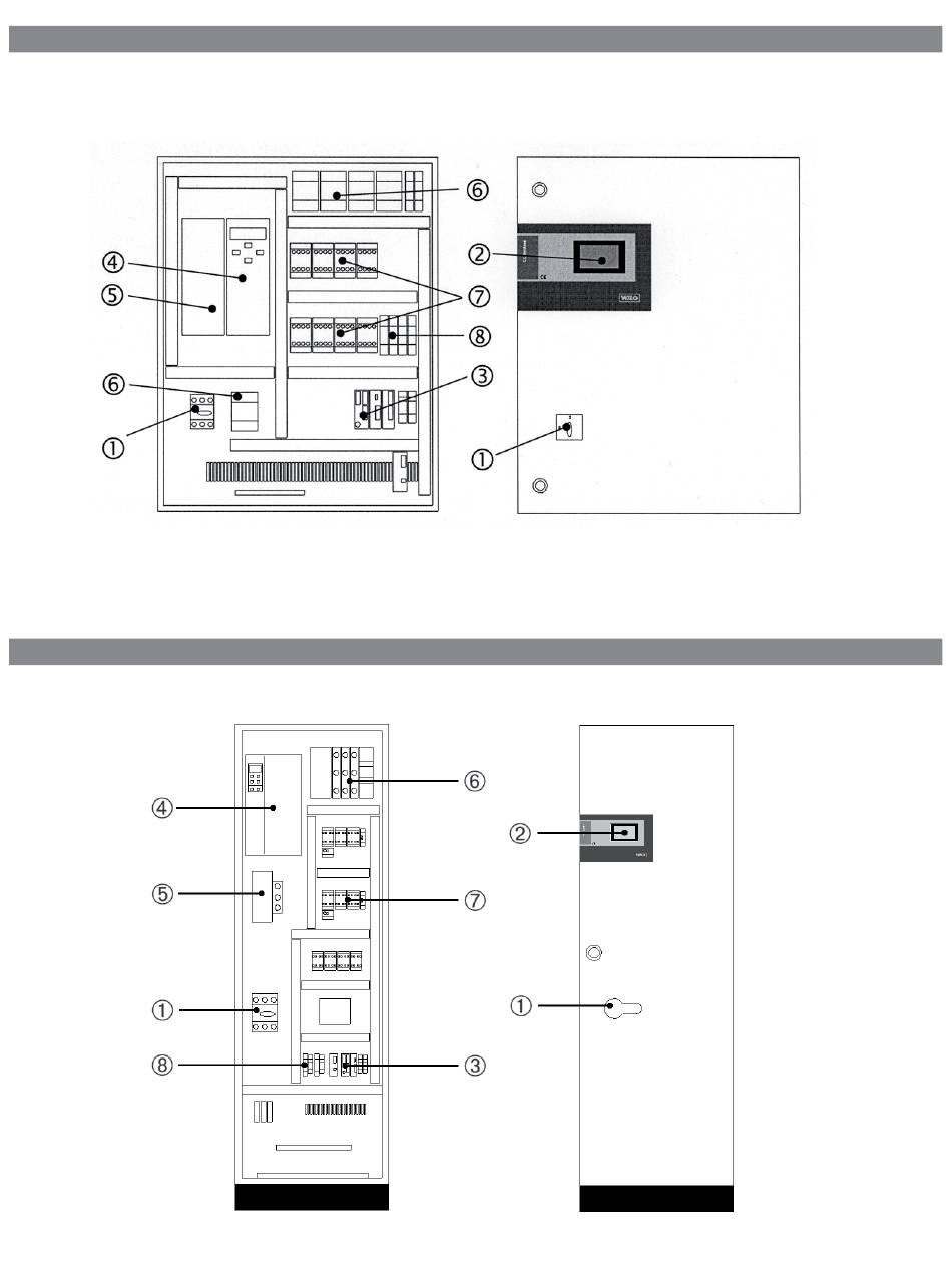
Fig. 1.1:
Fig. 1.2:
Inhalt
sverzeichnis
Vorherige
Seite
Nächste
Seite
1
2
3
4
5
6
Kapitel
Deutsch
10
English
29
Dutch
66
Inhaltsverzeichnis
Verwandte Anleitungen für Wilo CC-System
Steuerung Wilo ESK1 Einbau- Und Betriebsanleitung
(32 Seiten)
Verwandte Produkte für Wilo CC-System
Wilo CC-Booster
Wilo CC
Wilo CC-FC
Wilo CCe
Wilo C 329 Serie
Wilo COR/T-1 HELIX VE 606-GE
Wilo COR-1MVIE7002-GE
Wilo ClimaForm Serie
Wilo Comfort-CO MVI-Serie
Wilo Comfort-Vario COR/T-1 GE Serie
Wilo Wilo-Economy CO/T-1-Serie
Wilo C 336 Serie
Wilo Wilo-Medana CV1-L
Wilo COF-2B32-105
Wilo CronoBloc-BL-E80/200-7,5/4-R1-S1
Wilo Comfort COR MVI Serie
Inhaltsverzeichnis
Drucken
Lesezeichen umbenennen
Lesezeichen löschen?
Möchten Sie es aus Ihren Handbüchern löschen?
Anmelden
Anmelden
ODER
Mit Facebook anmelden
Mit Google anmelden
Anleitung hochladen
Von PC hochladen
Von URL hochladen