Anmelden
Hochladen
Herunterladen
Zu meinen Handbüchern
Löschen
Teilen
URL dieser Seite:
HTML-Link:
Lesezeichen hinzufügen
Hinzufügen
Handbuch wird automatisch zu "Meine Handbücher" hinzugefügt
Diese Seite drucken
×
Lesezeichen wurde hinzugefügt
×
Zu meinen Handbüchern hinzugefügt
Anleitungen
Marken
Dynamic Anleitungen
Mixer
GIGAMIX
Bedienungs- und wartungsanleitung
Dynamic GIGAMIX Bedienungs- Und Wartungsanleitung Seite 19
Turbomixer
Vorschau ausblenden
1
2
3
4
5
6
7
8
9
10
11
12
13
14
15
16
17
18
19
20
21
22
23
24
25
26
27
28
29
30
31
32
33
Seite
von
33
Vorwärts
/
33
Lesezeichen
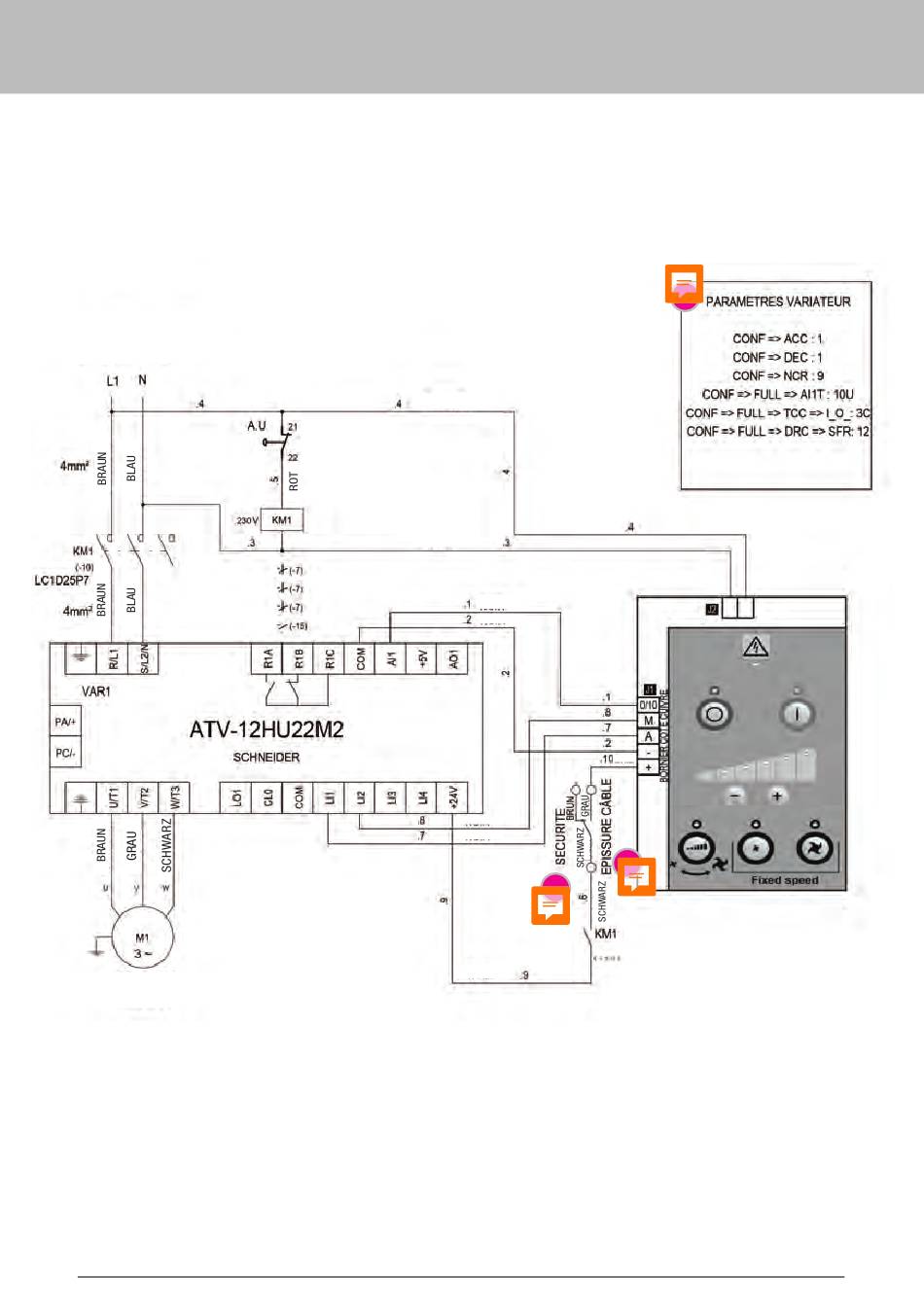
SCHALTPLAN MIT DREHZAHLREGULIERUNG 230V MONO
SCHALTPLAN MIT
DREHZAHLREGULIERUNG 230V MONO
DREIECKSKUPPLUNG
18
BRAUN
BLAU
SCHWARZ
SCHWARZ
SCHWARZ
SCHWARZ
SCHWARZ
GRAU
Vorherige
Seite
Nächste
Seite
1
...
16
17
18
19
20
21
22
23
Verwandte Anleitungen für Dynamic GIGAMIX
Mixer Dynamic Girafe GigamiX Bedienungs- Und Wartungsanleitung
(20 Seiten)
Mixer Dynamic Giraffe GigamiX Bedienungs- Und Wartungsanleitung
(32 Seiten)
Mixer Dynamic FT 97 Bedienungsanleitung
(41 Seiten)
Mixer Dynamic SMX 600 E Bedienungsanleitung Und Wartungsanleitung
(16 Seiten)
Mixer Dynamic SMX 800 DSC Bedienungsanleitung Und Wartungsanleitung
(12 Seiten)
Mixer Dynamic FTP 94 Handbuch
(16 Seiten)
Mixer Dynamic MX 2000 Bedienungsanleitung
(24 Seiten)
Mixer Dynamic Junior Fouet Bedienungsanleitung
(6 Seiten)
Mixer Dynamic SENIOR DMX300 Bedienungs- Und Montageanleitung
(32 Seiten)
Mixer Dynamic PMF 250 Bedienungs- Und Wartungsanleitung
(53 Seiten)
Mixer Dynamic MF-MFAP 2000 Bedienungs- Und Wartungsanleitung
(16 Seiten)
Mixer Dynamic Junior MX225 Bedienungsanleitung
(25 Seiten)
Mixer Dynamic MDH 2000 Bedienungsanleitung Und Wartungsanleitung
(16 Seiten)
Mixer Dynamic Dynamix MX050 Bedienungs- Und Wartungsanleitung
(12 Seiten)
Mixer dynamic DynaShake Bedienungsanleitung Und Wartungsanleitung
(16 Seiten)
Verwandte Produkte für Dynamic GIGAMIX
Dynamic Girafe GigamiX
Dynamic Giraffe GigamiX
Dynamic GIGAMIX XS
Dynamic CF001
Dynamic Dyna Speed Control
Dynamic Dynamix MX050
dynamic DynaShake
Dynamic FT 97
Dynamic FTP 94
Dynamic Junior Fouet
Dynamic Junior MX225
Dynamic MDH 2000
Dynamic MF-MFAP 2000
Dynamic Mini Fouet sans-fil
Dynamic MX 2000
Dynamic PP97
Drucken
Lesezeichen umbenennen
Lesezeichen löschen?
Möchten Sie es aus Ihren Handbüchern löschen?
Anmelden
Anmelden
ODER
Mit Facebook anmelden
Mit Google anmelden
Anleitung hochladen
Von PC hochladen
Von URL hochladen