Anmelden
Hochladen
Herunterladen
Inhalt
Inhalt
Zu meinen Handbüchern
Löschen
Teilen
URL dieser Seite:
HTML-Link:
Lesezeichen hinzufügen
Hinzufügen
Handbuch wird automatisch zu "Meine Handbücher" hinzugefügt
Diese Seite drucken
×
Lesezeichen wurde hinzugefügt
×
Zu meinen Handbüchern hinzugefügt
Anleitungen
Marken
Extel Anleitungen
Türsprechanlagen
MULTI PRO 3
Installations- und bedienungsanleitung
Extel MULTI PRO 3 Installations- Und Bedienungsanleitung Seite 4
Vorschau ausblenden
1
2
3
4
5
6
7
8
9
10
11
12
13
14
15
16
17
18
19
20
21
22
23
24
25
26
27
28
29
30
31
32
33
34
35
36
37
38
39
40
41
42
43
44
45
46
47
48
Seite
von
48
Vorwärts
/
48
Inhalt
Inhaltsverzeichnis
Lesezeichen
Inhaltsverzeichnis
Verfügbare Sprachen
DE
EN
FR
IT
ES
NL
PT
Mehr
Verfügbare Sprachen
DEUTSCH, seite 42
ENGLISH, page 30
FRANÇAIS, page 6
ITALIANO, pagina 12
ESPAÑOL, página 18
DUTCH, pagina 36
PORTUGUÊS, página 24
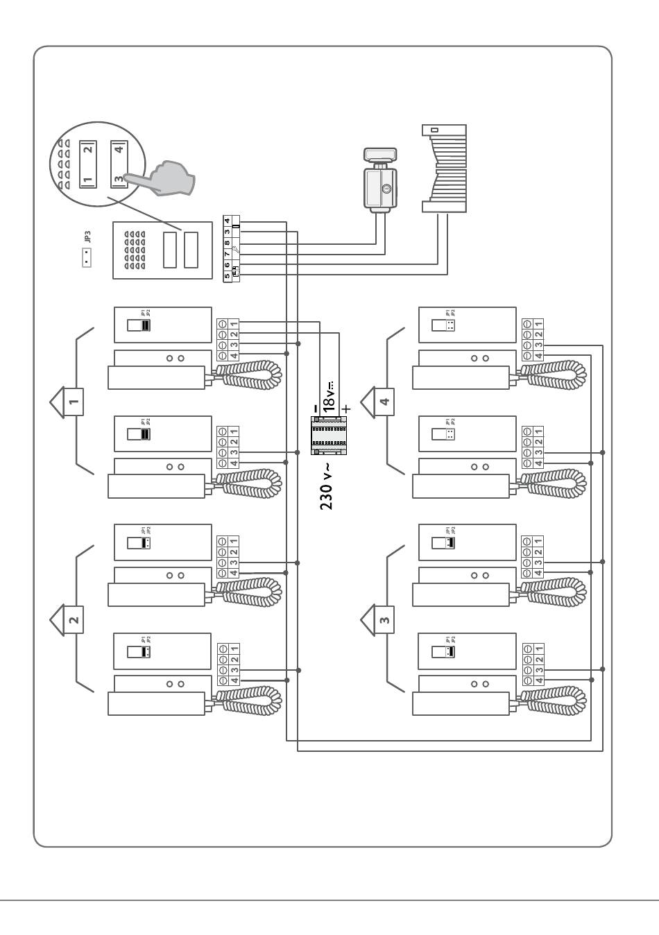
Fig. 6
*
*
*
*
: Option - Opzione - Opcional - Opçao - Optie - Optionen : CB BUS PRO 3
CFI EXTEL MULTI PRO 3 & CB BUS PRO 3 - 09/2016
*
*
*
*
*
Inhalt
sverzeichnis
Vorherige
Seite
Nächste
Seite
1
2
3
4
5
6
7
8
Kapitel
Français
6
Italiano
12
Português
24
Dutch
36
Deutsch
42
Inhaltsverzeichnis
Verwandte Anleitungen für Extel MULTI PRO 3
Türsprechanlagen Extel PASF 10005 Installations- Und Bedienungsanleitung
Funk-türsprechanlage für den außenbereich (103 Seiten)
Türsprechanlagen Extel PASF 10005WEPASFCB 10005 Installationshandbuch
Funk-türsprechanlage für den außenbereich (19 Seiten)
Türsprechanlagen Extel MULTI PRO Type NAI-212 Installations- Und Bedienungsanleitung
(48 Seiten)
Türsprechanlagen Extel WEPAMH 4 Installations- Und Bedienungsanleitung
(116 Seiten)
Türsprechanlagen Extel WEPACB 247 Installations- Und Bedienungsanleitung
(12 Seiten)
Türsprechanlagen Extel BUS PRO 2 Installations- Und Bedienungsanleitung
(48 Seiten)
Türsprechanlagen Extel MOMBO Installations- Und Bedienungsanleitung
(56 Seiten)
Türsprechanlagen Extel NAI-202 Installations- Und Bedienungsanleitung
(22 Seiten)
Türsprechanlagen Extel WAVE 2 Installations- Und Bedienungsanleitung
Monitor und türsprechanlage (24 Seiten)
Türsprechanlagen Extel COMPACT 720315 Installations- Und Bedienungsanleitung
Gegensprechanlage (12 Seiten)
Türsprechanlagen Extel Nova White Installations- Und Bedienungsanleitung
(76 Seiten)
Türsprechanlagen Extel EASY BUS 3 Installations- Und Bedienungsanleitung
(48 Seiten)
Türsprechanlagen Extel LENA 11.2 Installations- Und Bedienungsanleitung
(48 Seiten)
Türsprechanlagen Extel WECA 109057 Bedienungsanleitung
(20 Seiten)
Türsprechanlagen Extel VIDEO GLASS 675 Bedienungsanleitung
(24 Seiten)
Türsprechanlagen Extel LEVO JS-V742N2 Installations- Und Bedienungsanleitung
(84 Seiten)
Verwandte Produkte für Extel MULTI PRO 3
Extel PASF 10005 WEADSF 10003
Extel PASF 10005 WEPAAN 10068
Extel MULTI PRO Type NAI-212
Extel MULTI PRO Type NPS-18
Extel MULTI PRO Type NAO-402
Extel PS2-VPMHPS 001
Extel PACB 247
Extel BUS PRO 2
Extel PL002C2
Extel PS2 - VPMHP5 001
Extel CAM PLUS Typ JLT-808T
Extel 109115
Extel 720287
Extel 720288
Extel 720295
Extel 720321
Diese Anleitung auch für:
Cb bus pro 3
Inhaltsverzeichnis
Drucken
Lesezeichen umbenennen
Lesezeichen löschen?
Möchten Sie es aus Ihren Handbüchern löschen?
Anmelden
Anmelden
ODER
Mit Facebook anmelden
Mit Google anmelden
Anleitung hochladen
Von PC hochladen
Von URL hochladen