Herunterladen Inhalt Inhalt Diese Seite drucken

PCE Instruments PCE-360-ICA Bedienungsanleitung Seite 22

Energiemessgerät
Inhaltsverzeichnis
5.2.4
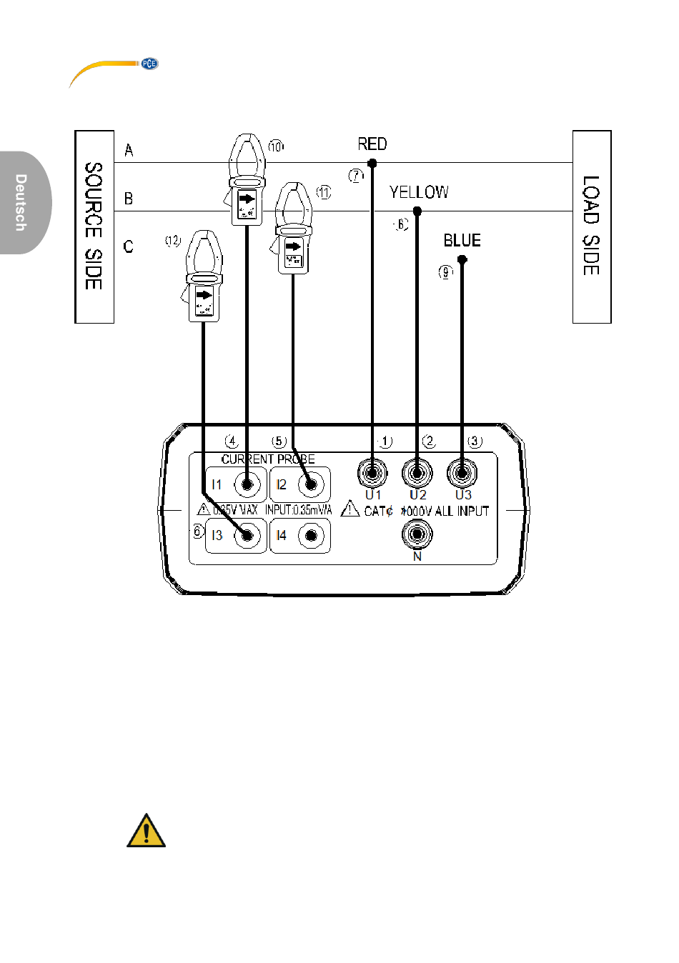
3 Phasen, 3 Leiter (3P3W3M)
A, B, C: Leiter
Drücken Sie die „Ein/Aus" Taste, um das Gerät einzuschalten.
1.
Drücken Sie die „WIRING" Taste und verwenden Sie die Navigationstasten, um
2.
„3P3W3M" auszuwählen.
3.
Verbinden Sie die Messleitungen und Stromzangen mit dem Leistungsmesser.
Verbinden Sie die rote Messleitung mit der „U1" Buchse.
Verbinden Sie die gelbe Messleitung mit der „U2" Buchse.
Verbinden Sie die blaue Messleitung mit der „U3" Buchse.
Verbinden Sie eine Stromzange mit der „I1" Buchse.
Verbinden Sie eine Stromzange mit der „I2" Buchse.
Verbinden Sie eine Stromzange mit der „I3" Buchse.
4.
Verbinden Sie die Messleitungen und Stromzangen mit den zu untersuchenden
Leitern.
ACHTUNG: Falls möglich, trennen Sie die zu untersuchenden Leiter von
der Stromquelle, bevor Sie die Messleitungen und Stromzangen
anschließen.
© PCE Instruments
19
Inhaltsverzeichnis
loading

Diese Anleitung auch für:

Pce-360

Inhaltsverzeichnis