Herunterladen Inhalt Inhalt Diese Seite drucken

Bergstrom TRP COMPACT Benutzerhandbuch Seite 40

Vorschau ausblenden Andere Handbücher für TRP COMPACT:
Inhaltsverzeichnis
Verfügbare Sprachen
  • DE

Verfügbare Sprachen

  • DEUTSCH, seite 26
COMPACT
IT
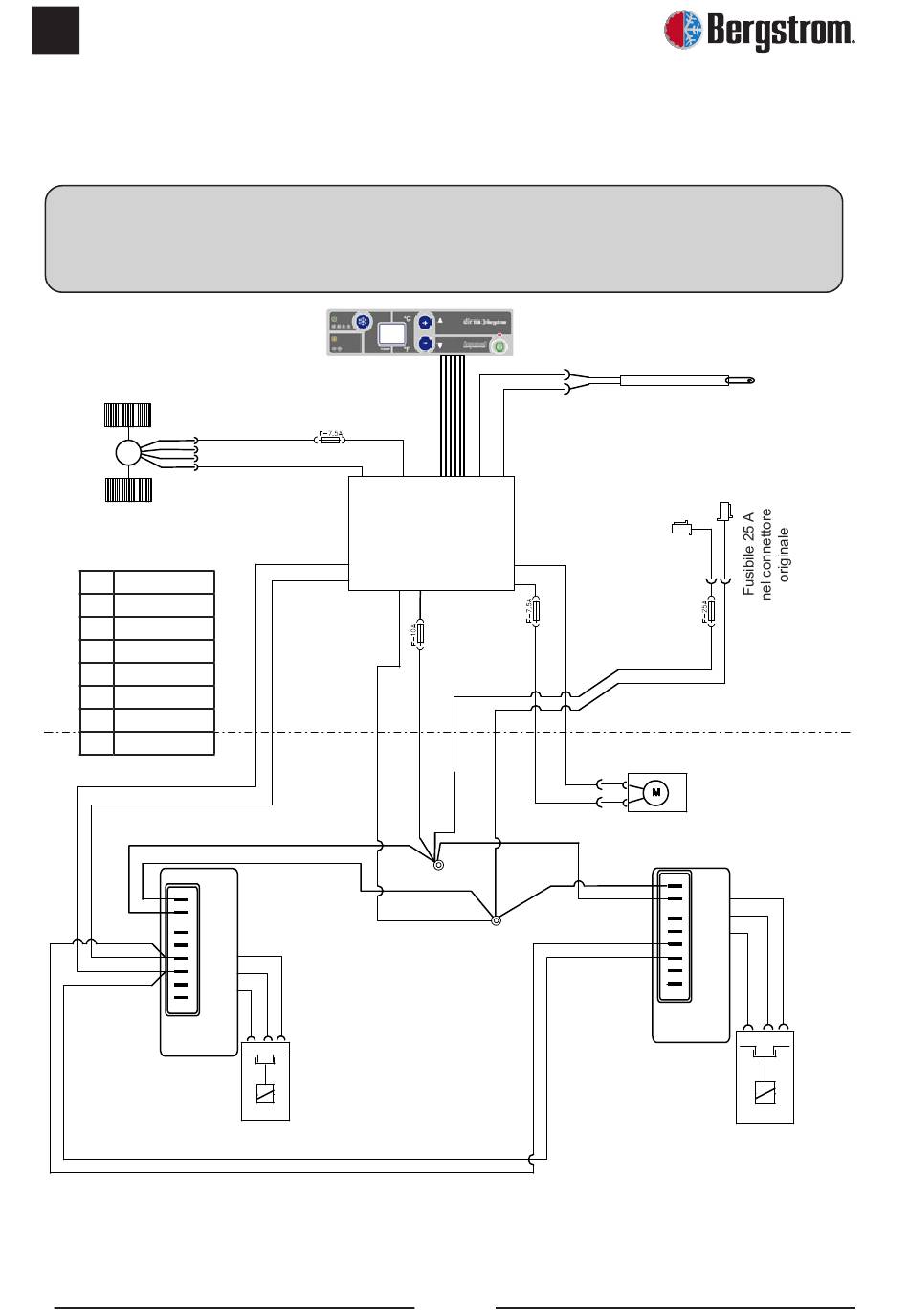
TUTTI I MODELLI EURO 6 SENZA PRESA ORIGINALE SUL TETTUCCIO
Fare attenzione a non invertire le polarità quando si collega l'alimentazione sull'impianto, altrimenti il
display non si accende e l'impianto non funziona.
Ventilatore
centrifugo
Na
R
4 Amp.
M
A
N
Az
Blu
N
Nero
R
Rosso
V
Verde
B
Bianco
A
Giallo
Na Arancione
M
Marrone
M
B
R
M
-
+
+
B
F
B
I
M
C
M
P
T
Controllo
elettronico
compressore
M
B
APRIBILE - Schema elettrico
AVVERTENZA IMPORTANTE!
Na
N
Controllo
elettronico
M
B
M
R
Compressore
N
N
Consumo elettrico 30 mAmp.
R
N
R
R
B
R
N
R
B
R
M
M
M
40
Sensore
aria ritorno
N
N
NTC 15KΩ a 25º
M
Az
R
B
Ventilatore del
condensatore
N
Az
2 Amp.
PWM.
-
+
+
F
B
I
M
C
P
T
Controllo
elettronico
compressore
Compressore
Inhaltsverzeichnis
loading

Diese Anleitung auch für:

10018578791541252

Inhaltsverzeichnis