Herunterladen Inhalt Inhalt Diese Seite drucken

Sentiotec K4 NEXT Montage- Und Gebrauchsanweisung Seite 151

Saunasteuerung
Vorschau ausblenden Andere Handbücher für K4 NEXT:
Inhaltsverzeichnis
Verfügbare Sprachen
  • DE

Verfügbare Sprachen

  • DEUTSCH, seite 1
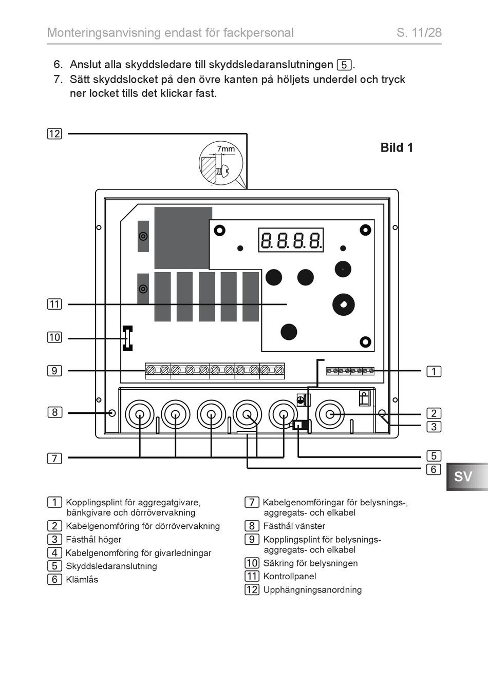
Monteringsanvisning endast för fackpersonal
6. Anslut alla skyddsledare till skyddsledaranslutningen 5.
7. Sätt skyddslocket på den övre kanten på höljets underdel och tryck
ner locket tills det klickar fast.
c
b
a
9
8
7
Kopplingsplint för aggregatgivare,
1
bänkgivare och dörrövervakning
Kabelgenomföring för dörrövervakning
2
Fästhål höger
3
4
Kabelgenomföring för givarledningar
Skyddsledaranslutning
5
Klämlås
6
Kabelgenomföringar för belysnings-,
7
aggregats- och elkabel
Fästhål vänster
8
Kopplingsplint för belysnings-
9
aggregats- och elkabel
Säkring för belysningen
a
Kontrollpanel
b
c
Upphängningsanordning
S. 11/28
Bild 1
1
2
3
5
6
SV
Inhaltsverzeichnis
loading

Diese Anleitung auch für:

K4-9-n

Inhaltsverzeichnis