Herunterladen Inhalt Inhalt Diese Seite drucken

Additional Information - Alpine Swd-2000 Bedienungsanleitung

Class-d amplified subwoofer
Inhaltsverzeichnis
Verfügbare Sprachen
  • DE

Verfügbare Sprachen

  • DEUTSCH, seite 11
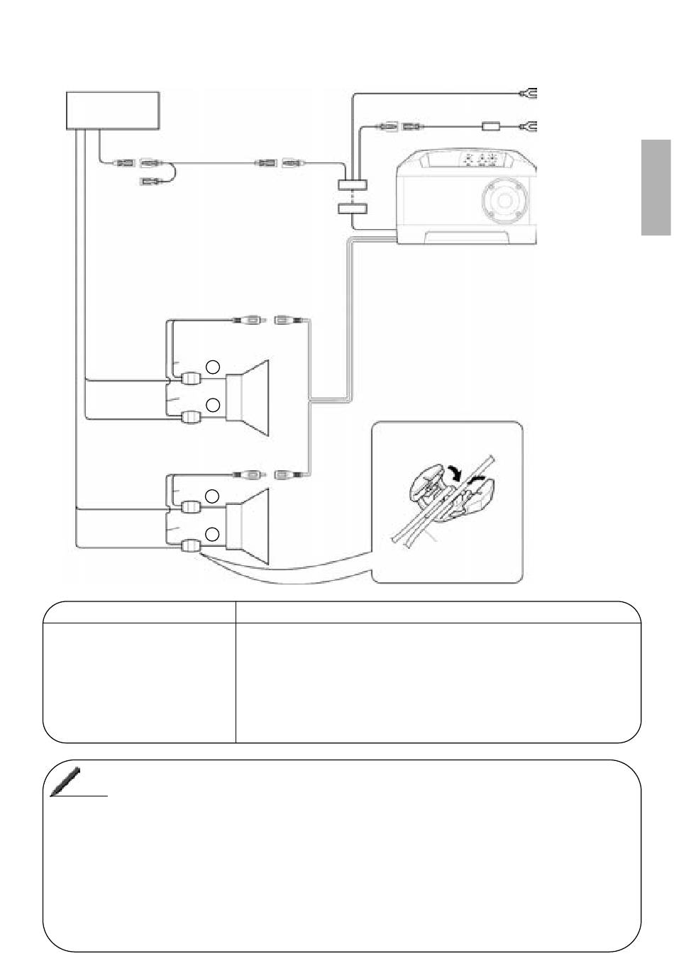
• CONNECTIONS FOR SPEAKER LEVEL INPUT
Head Unit
Remote turn on
Left speaker
Green
Left speaker
Green/Black
Right speaker
Violet
Right speaker
Violet/Black
Type of Lead
Remote turn on lead
Ground lead
Battery power lead
• This product cannot be used with cars fitted with a common negative speaker system.
Memo
• Speaker impedance must be 3.2 ~ 8 ohms.
• To prevent external noise from entering the audio system:
8
Blue/White
Remote turn on
extension lead
Speaker to RCA
White
input lead
+
_
Speaker to RCA
input lead
Red
+
_
Connect to the remote turn on lead of the head unit.
• If your head unit does not have this lead, then please connect to the
the ACC lead of the vehicle. The lead that supplies power when the key
is at the ACC position.
Attach securely and safely to a bare metal spot of the car's chassis.
Connect directly to the positive terminal of the car's battery.
• Locate the unit and route the leads at least 10 cm away from the car harness.
• Keep the battery power leads as far away from other leads as possible.
• Connect the ground lead securely and safely to a bare metal spot (remove the coating if
necessary) of the car chassis.
• If you add an optional noise suppressor, connect it as far away from the unit as possible. Your
Alpine Dealer carries various Alpine noise suppressors, contact them for further information.
• Your Alpine Dealer knows best about noise prevention measures so consult your dealer for
further information.
Black
Yellow
FUSE
20A
* Always use the power extension lead
provided. Do not cut or modify this lead as
doing so may cause damage or
malfunction.
Connections using Scotchlock
Press until they
are securely
locked
Lead must be
2-2.7mm in diameter
If not seek advice from
your Alpine Dealer

Additional Information

Ground
connection
Battery
extension lead *
EN
Inhaltsverzeichnis
loading

Inhaltsverzeichnis