Herunterladen Inhalt Inhalt Diese Seite drucken

Inhaltsverzeichnis; Elektrisches Schaltdiagramm - Pro Klima Gpc09Am Bedienungsanleitung

Inhaltsverzeichnis
Verfügbare Sprachen
  • DE

Verfügbare Sprachen

  • DEUTSCH, seite 1
LIEBER KUNDE
Herzlichen Glückwunsch zum Erwerb Ihrer mobilen Klimaanlage. Bitte nehmen Sie sich
die Zeit, diese Betriebsanleitung zu lesen. Bewahren Sie sie an einem sicheren Ort auf und
übergeben Sie die Betriebsanleitung gemeinsam mit dem Gerät, falls erforderlich.

INHALTSVERZEICHNIS

Sicherheitsanweisungen
Entsorgung
Symbole
Betrieb

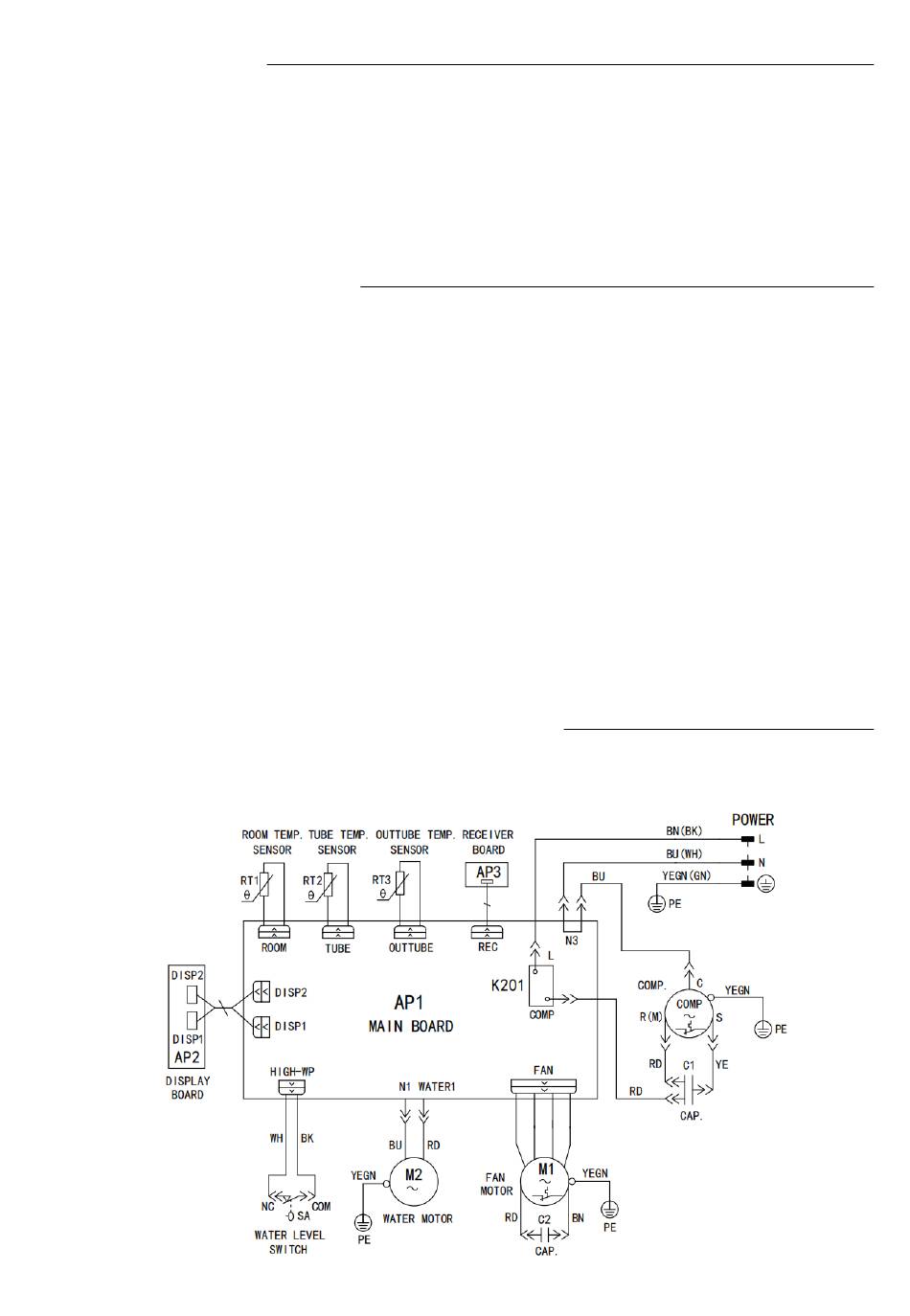
ELEKTRISCHES SCHALTDIAGRAMM

1
Installation
4
4
5
7
8
9
16
17
7
DE |
19
19
20
21
23
24
24
25

Quicklinks ausblenden:

Inhaltsverzeichnis
loading

Verwandte Produkte für PRO KlIMA GPC09AM

Inhaltsverzeichnis