Anmelden
Hochladen
Herunterladen
Inhalt
Inhalt
Zu meinen Handbüchern
Löschen
Teilen
URL dieser Seite:
HTML-Link:
Lesezeichen hinzufügen
Hinzufügen
Handbuch wird automatisch zu "Meine Handbücher" hinzugefügt
Diese Seite drucken
×
Lesezeichen wurde hinzugefügt
×
Zu meinen Handbüchern hinzugefügt
Anleitungen
Marken
Bender Anleitungen
Controller
RCM420-DM
Handbuch
Bender RCM420-DM Handbuch Seite 28
Differenzstrom-überwachungsgerät
Vorschau ausblenden
Andere Handbücher für RCM420-DM
:
Kurzanleitung
(8 Seiten)
1
2
Inhalt
3
4
5
6
7
8
9
10
11
12
13
14
15
16
17
18
19
20
21
22
23
24
25
26
27
28
29
30
31
32
33
34
35
36
37
38
39
40
41
42
43
44
45
46
47
48
Seite
von
48
Vorwärts
/
48
Inhalt
Inhaltsverzeichnis
Lesezeichen
Inhaltsverzeichnis
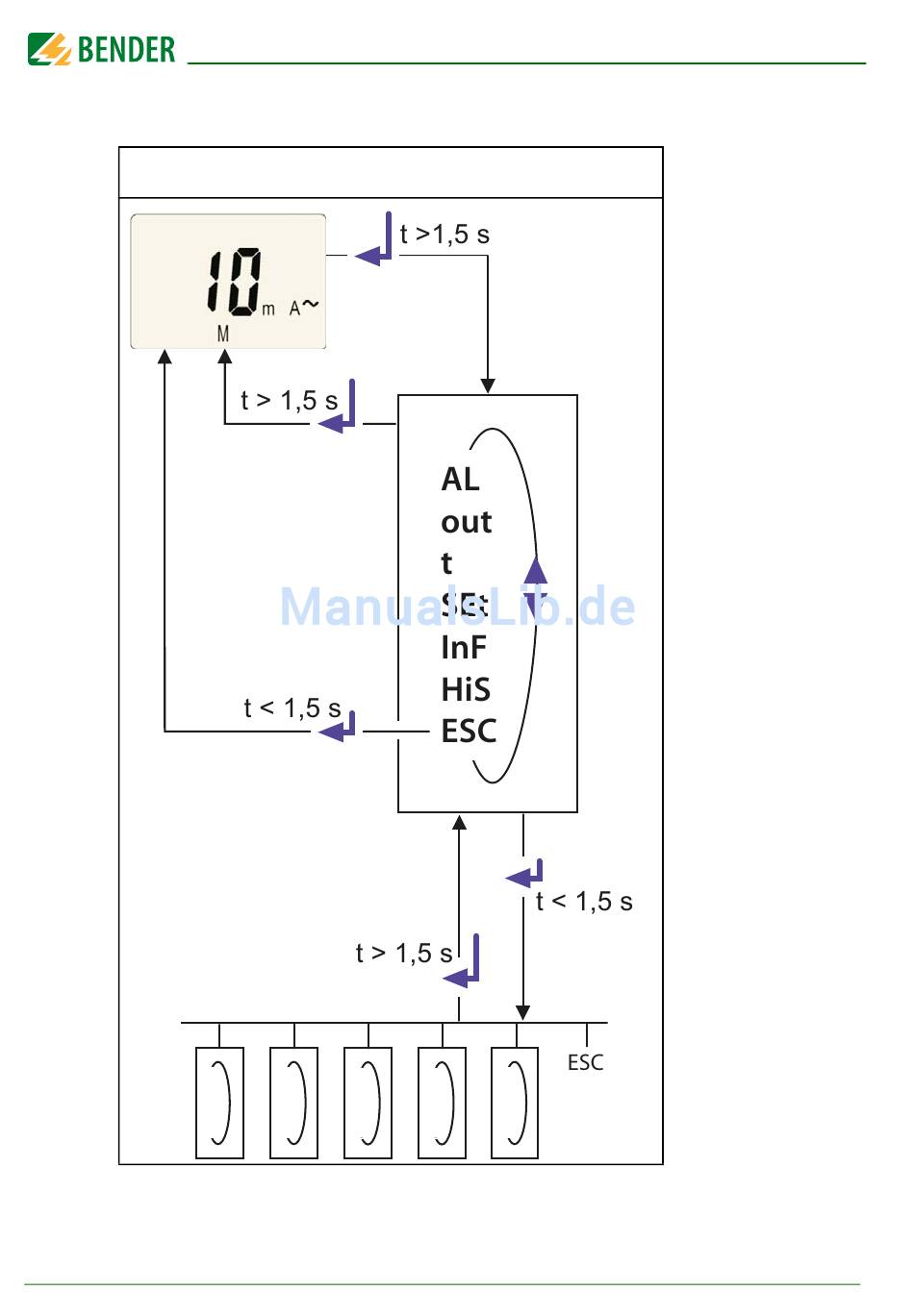
Bedienung und Einstellung
Menü-Struktur
28
RCM420-DM_D00058_02_M_XXDE/06.2016
Inhalt
sverzeichnis
Vorherige
Seite
Nächste
Seite
1
...
25
26
27
28
29
30
31
32
Inhaltsverzeichnis
Verwandte Anleitungen für Bender RCM420-DM
Messgeräte Bender LINETRAXX RCM420-DM Kurzanleitung
Differenzstrom-überwachungsgerät (typ a) mit einer analogschnittstelle zur überwachung von ac-strömen in tn- und tt-systemen (8 Seiten)
Verwandte Produkte für Bender RCM420-DM
Bender LINETRAXX RCM420
Bender LINETRAXX RCM410R-1
Bender LINETRAXX RCM410R-2
Bender LINETRAXX RCM410R-24/-2
Bender LINETRAXX RCM410R Serie
Bender LINETRAXX RCM410R-24
Bender RCMA420
Bender RCMS460
Bender LINETRAXX RCMS460-D
Bender LINETRAXX RCMS460-L
Bender LINETRAXX RCMS490-L
Bender RCMA423-D-1
Bender RCMB330
Bender LINETRAXX RCMS150
Bender RCMB613
Bender RCMB301-CTBC20
Inhaltsverzeichnis
Drucken
Lesezeichen umbenennen
Lesezeichen löschen?
Möchten Sie es aus Ihren Handbüchern löschen?
Anmelden
Anmelden
ODER
Mit Facebook anmelden
Mit Google anmelden
Anleitung hochladen
Von PC hochladen
Von URL hochladen