Herunterladen Inhalt Inhalt Diese Seite drucken

Schema Di Collegamento - Quick Genius 600 Benutzerhandbuch

Vorschau ausblenden Andere Handbücher für GENIUS 600:
Inhaltsverzeichnis
Verfügbare Sprachen
  • DE

Verfügbare Sprachen

  • DEUTSCH, seite 28

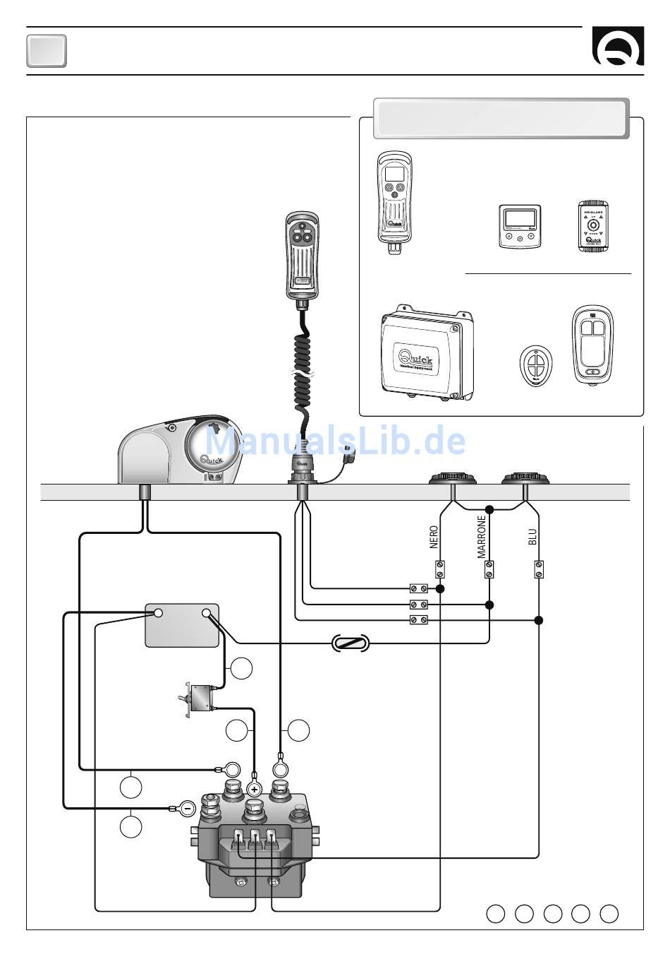
SCHEMA DI COLLEGAMENTO

IT
SISTEMA BASE
SCHEMA DI COLLEGAMENTO
GENERALE PAG. 44
SALPA ANCORA
INTERRUTTORE
MAGNETO
IDRAULICO
(vedi tabella
pag. 4)
L4
L5
6
PULSANTIERA
MULTIUSO
MOD. HRC 1002
-
+
BATTERIA
L1
L2
M1
M2
C
ACCESSORI QUICK
RADIOCOMANDI
RICEVITORE
PULSANTI A PIEDE MOD. 900U E 900D
NERO
MARRONE
BLU
FUSIBILE
4A (12V)
2A (24V)
L3
CASSETTA
TELEINVERTITORI
MOD. T6415-12 (12V)
MOD. T6415-24 (24V)
A2
®
PER L'AZIONAMENTO
DEL SALPA ANCORA
PULSANTIERA
CONTACATENA
CONTACATENA
DA PANNELLO
TRASMETTITORI
TASCABILE - PULSANTIERA
A1
L = L1 + L2 + L3 + L4 + L5
GENIUS 600/1000/1100-FF - REV008A
COMANDO
DA PLANCIA
Inhaltsverzeichnis
loading

Inhaltsverzeichnis