Herunterladen Inhalt Inhalt Diese Seite drucken

CTX Mighty Chef TCO21140063 Installations- Und Benutzerhandbuch Seite 12

Vorschau ausblenden Andere Handbücher für Mighty Chef TCO21140063:
Inhaltsverzeichnis
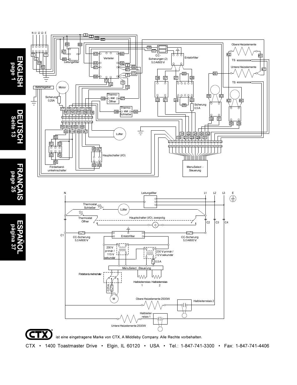
Verkabelungplan: TCO21140077
Schaltplan: TCO21140077
Middleby Corp. 24-Stunden-Service-Hotline: 1-800-238-8444
www.middleby.com
(Europäische Export-Version, 380-400V)
Transformator
Transformator
230 V primär /
230 V primär /
115 V
12 V sekundär
sekundär
schwarz
weiß
rot
(Europäische Export-Version, 380-400V)
®
Varistor
Varistor
Halbleiter-
relais 1
Halbleiter-
relais 2
®
Inhaltsverzeichnis
loading

Verwandte Produkte für CTX Mighty Chef TCO21140063

Inhaltsverzeichnis