Herunterladen Inhalt Inhalt Diese Seite drucken

CTX Mighty Chef TCO21140035 Installations- Und Benutzerhandbuch Seite 24

Forderbandofen
Vorschau ausblenden Andere Handbücher für Mighty Chef TCO21140035:
Inhaltsverzeichnis
Verfügbare Sprachen

Verfügbare Sprachen

All manuals and user guides at all-guides.com
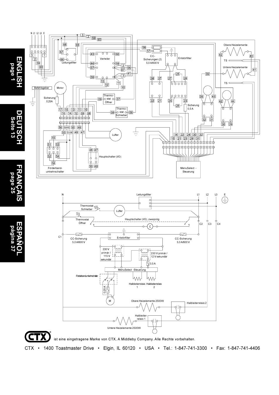
Verkabelungplan: TCO21140077
(Europäische Export-Version, 380-400V)
Transformator
Transformator
230 V primär /
230 V primär /
115 V
Varistor
12 V sekundär
sekundär
Varistor
Halbleiter-
relais 1
Halbleiter-
relais 2
schwarz
weiß
rot
®
Schaltplan: TCO21140077
(Europäische Export-Version, 380-400V)
®
Middleby Corp. 24-Stunden-Service-Hotline: 1-800-238-8444
www.middleby.com
Inhaltsverzeichnis
loading

Diese Anleitung auch für:

Tco2114003563Tco2114003566Tco2114003577

Inhaltsverzeichnis