Anmelden
Hochladen
Herunterladen
Zu meinen Handbüchern
Löschen
Teilen
URL dieser Seite:
HTML-Link:
Lesezeichen hinzufügen
Hinzufügen
Handbuch wird automatisch zu "Meine Handbücher" hinzugefügt
Diese Seite drucken
×
Lesezeichen wurde hinzugefügt
×
Zu meinen Handbüchern hinzugefügt
Anleitungen
Marken
Bosch Anleitungen
Module
FLM-420-O2-D
Installationsanleitung
Bosch FLM-420-O2-D Installationsanleitung Seite 4
Vorschau ausblenden
Andere Handbücher für FLM-420-O2-D
:
Installationsanleitung
(24 Seiten)
1
2
3
4
5
6
7
8
9
10
11
12
13
14
15
16
17
18
19
20
21
22
23
24
Seite
von
24
Vorwärts
/
24
Lesezeichen
Verfügbare Sprachen
DE
EN
FR
IT
ES
NL
PL
PT
CZ
DK
Mehr
Verfügbare Sprachen
DEUTSCH, seite 10
ENGLISH, page 11
FRANÇAIS, page 13
ITALIANO, pagina 16
ESPAÑOL, página 12
DUTCH, pagina 17
POLSKI, strona 18
PORTUGUÊS, página 19
ČEŠTINA, strana 8
DANSK, side 9
РУССКИЙ, страница 21
MAGYAR, oldal 15
ROMÂNĂ, pagina 20
TÜRKÇE, sayfa 23
SLOVENŠČINA, stran 22
4
|
FLM-420-O2-D
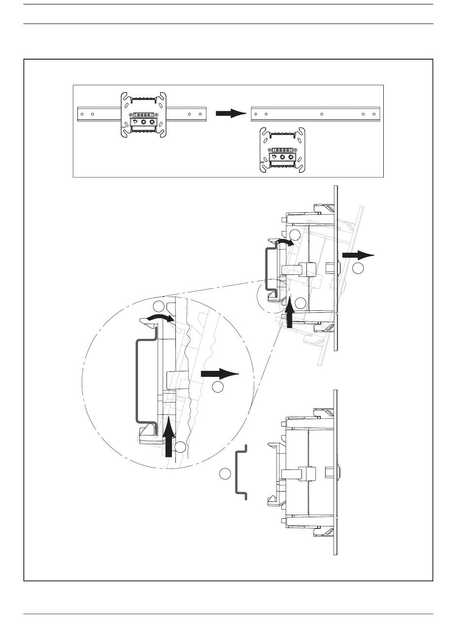
2.
2.
3.
1.
2.
3.
1.
4.
F.01U.012.996 | A4 | 2008.06
Bosch Sicherheitssysteme GmbH
Vorherige
Seite
Nächste
Seite
1
2
3
4
5
6
7
8
Verwandte Anleitungen für Bosch FLM-420-O2-D
Module Bosch FLM-420-O2-D Installationsanleitung
(24 Seiten)
Module Bosch LSN-Serie Installationsanleitung
Conventional interface module 4-wire (32 Seiten)
Module Bosch FLM-420-RHV-S Produktbeschreibung / Montageanleitung
(36 Seiten)
Module Bosch FLM-420-01I1-E Installationshandbuch
(33 Seiten)
Module Bosch FLM-420-RLV1-E Installationsanleitung
(24 Seiten)
Module Bosch FLM-420-RLV1-D Installationsanleitung
(24 Seiten)
Module Bosch FLM-420-O1I1-D Installationsanleitung
(45 Seiten)
Module Bosch FLM-320-EOL4W-S Installationsanleitung
(25 Seiten)
Module Bosch FLM-420-EOL2W-W Installationsanleitung
Eol-modul lsn (28 Seiten)
Module Bosch FLM-420-01I1-D Bedienungsanleitung
(36 Seiten)
Module Bosch FLM-420-I2-E Installationsanleitung
(32 Seiten)
Module Bosch FLM-420-I2-E Installationsanleitung
Input-koppler einbauversion (24 Seiten)
Module Bosch FLM-420-01 Installationsanleitung
(36 Seiten)
Module Bosch Air Flux 5301 A Bedienungsanleitung Originalanleitung
(160 Seiten)
Module Bosch FPA-5000 Systembeschreibung
(168 Seiten)
Module Bosch REXROTH FMS-Serie Anleitung
Funktionsmodule (30 Seiten)
Verwandte Produkte für Bosch FLM-420-O2-D
Bosch FLM-420-RLV1-E
Bosch FLM-420-RLV1-D
Bosch FLM-420-O1I1-D
Bosch FLM-420-EOL2W-W
Bosch FLM-420-01I1-D
Bosch FLM-420-I2-E
Bosch FLM-420-01
Bosch FLM-420-01-D
Bosch FLM-320-EOL4W-S
Bosch Air Flux 5301 A
Bosch REXROTH FMS-080
Bosch REXROTH FMS-110
Bosch REXROTH FMB-080
Bosch REXROTH FMB-110
Bosch F.01U.028.289
Bosch FLM-420-O2-W
Drucken
Lesezeichen umbenennen
Lesezeichen löschen?
Möchten Sie es aus Ihren Handbüchern löschen?
Anmelden
Anmelden
ODER
Mit Facebook anmelden
Mit Google anmelden
Anleitung hochladen
Von PC hochladen
Von URL hochladen