Anmelden
Hochladen
Herunterladen
Inhalt
Inhalt
Zu meinen Handbüchern
Löschen
Teilen
URL dieser Seite:
HTML-Link:
Lesezeichen hinzufügen
Hinzufügen
Handbuch wird automatisch zu "Meine Handbücher" hinzugefügt
Diese Seite drucken
×
Lesezeichen wurde hinzugefügt
×
Zu meinen Handbüchern hinzugefügt
Anleitungen
Marken
Window Master Anleitungen
Gleichstromantriebe
WIC 01M
Montageanleitung
Montering; Forbindelsesdiagram - Window Master Wic 01M Montageanleitung
Vorschau ausblenden
1
Inhalt
2
3
4
5
6
7
8
9
10
11
12
13
14
15
16
17
18
19
20
21
22
23
24
25
26
27
28
29
30
31
32
33
34
35
36
37
Seite
von
37
Vorwärts
/
37
Inhalt
Inhaltsverzeichnis
Lesezeichen
Inhaltsverzeichnis
Verfügbare Sprachen
DE
EN
FR
DK
Mehr
Verfügbare Sprachen
DEUTSCH, seite 12
ENGLISH, page 1
FRANÇAIS, page 28
DANSK, side 20
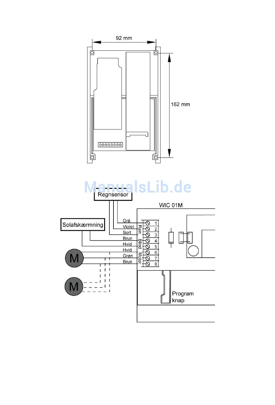
Montering
Forbindelsesdiagram
OBS: Tilslut ikke WIC 01M til 230V før du er klar til at foretage opsætning via fjernbetjening.
21
Inhalt
sverzeichnis
Vorherige
Seite
Nächste
Seite
1
...
18
19
20
21
22
23
24
25
Inhaltsverzeichnis
Verwandte Anleitungen für Window Master WIC 01M
Steuergeräte Window Master WIZ 01M Kurzanleitung
(5 Seiten)
Verwandte Produkte für Window Master WIC 01M
Window Master WEC 16M 040A KNX
Window Master WMX 503 UL
Window Master WMX 803-n UL
Window master WMX 503
Window master WMX803-n UL
Window Master WLI 110
Window Master WMX 503UL
Window Master FlexiSmoke WSC 560
Window Master WWS 100
Window Master WMU 836-n
Window Master WMU 836-n UL
Window Master WCC 106BT
Window Master WMX 813-n
Window Master WSC 304 01
Window Master MotorController WCC 103 A
Window Master CompactSmoke WSC 104 S
Diese Anleitung auch für:
Wir 100
Wiz 01m
Inhaltsverzeichnis
Drucken
Lesezeichen umbenennen
Lesezeichen löschen?
Möchten Sie es aus Ihren Handbüchern löschen?
Anmelden
Anmelden
ODER
Mit Facebook anmelden
Mit Google anmelden
Anleitung hochladen
Von PC hochladen
Von URL hochladen