Herunterladen Diese Seite drucken

WAVEMASTER TWO NEO Bedienungsanleitung Seite 15

Wireless 2.0 sound system
Verfügbare Sprachen

Verfügbare Sprachen

Assembly and operation
Assembly and operation of your TWO
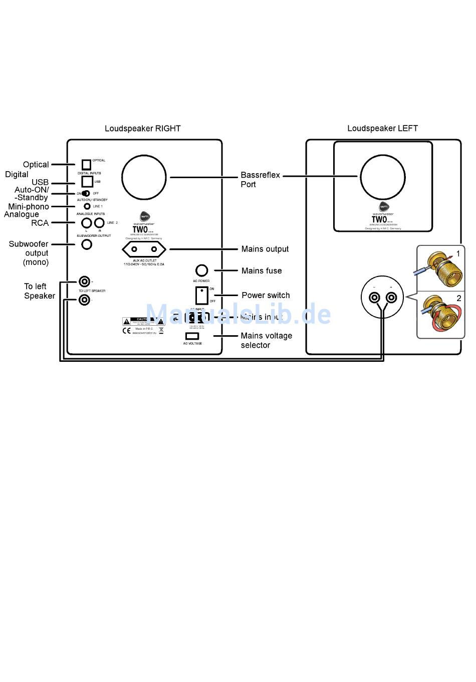
connections are shown in the following drawing.
Please connect all components only when the mains power switch is switched OFF.
Place the speakers at their target area and start connecting.
First, connect the left speaker to the right speaker by the speaker cable. The gold-plated
binding posts can be turned and the stripped cable ends shall be fitted to connect red to red
and black to black. Turn the binding posts tight by hand, so that the cables can achieve a
good connection from the output of the right speaker (active) to the left speaker (passive).
Please care to avoid short circuits between red and black connectors, not to cause
malfunctions or defects!
Connect the input socket on the back of your TWO
The LINE 1 phono socket input is prepared for devices with lower Line signal level, like
portable MP3-player, smartphones etc.
The RCA sockets LINE 2 are prepared for audio devices with standard Line signal level, e.g.
PC or stationary HiFi devices.
The optical TOSLINK input socket can receive digital PCM stereo signals.
The USB input offers direct connection to PCs and other USB sources.
English
/
speaker system is very easy to do. General
NEO
PRO
/
NEO
PRO
15
to your audio sources.
loading

Diese Anleitung auch für:

Two pro