Herunterladen Diese Seite drucken
CHA-07/10, CGB-2-14-24, BSP-W-1000B
2
16 A (B)
3
W1/AF
r)
20 A (B)
16 A (B)
5
3
O
r)
r)
230V/50Hz
P
W1/
eBUS
W2
3
3
CGB-2
AM
Z
P
O W1/X0
W1/X0/MB
5
3
3 3 3
4
3
BM2
2,5BAR
ZHP
CHA-07/10 (IDU)
CHA-07/10 (ODU)
Zeichn.-Nr.
32-52-006-276
P
W1
/eBUS
3
2
P
230V/50Hz
MM-2
Z
A
400V/50Hz
KW
AB
A
3
W1/3WUV
HZ/WW
B
W1
W1/3WUV HZ/WW
A
000
AB
J
3WUV
B
HZ/WW
Index
Datum
01
11.10.2022
P
P
F
W1/SF
2
O
E
N
N
J
C
M
M
2
W1/SAF
L
L
BSP-W-1000B
3
A
B
AB
Installationsprinzip ohne Anspruch auf Vollständigkeit.
Einschlägige Regeln der Technik und örtliche Vorschriften sind zu beachten!
A
/MaxTh
MK1
A/VF
3
2
T
T
A/MKP
3
A/MM
4
loading

Inhaltszusammenfassung für Wolf CHA-07/10

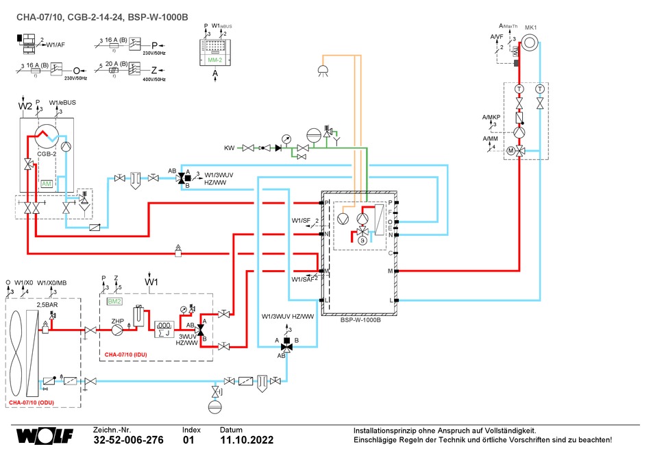
  • Seite 1 CHA-07/10, CGB-2-14-24, BSP-W-1000B /eBUS /MaxTh A/VF 16 A (B) W1/AF 230V/50Hz MM-2 20 A (B) 16 A (B) 230V/50Hz 400V/50Hz eBUS A/MKP A/MM CGB-2 W1/3WUV HZ/WW W1/SF W1/SAF O W1/X0 W1/X0/MB 3 3 3 2,5BAR W1/3WUV HZ/WW BSP-W-1000B 3WUV HZ/WW...
  • Seite 2 Funktionsbeschreibung und Einstellungshinweise Einstellhinweise für Anlage mit CHA KB Einheit Adresse Konfiguration HK MK LH RLA Sp ZP Beschreibung • witterungsgeführte Sammlertemperaturregelung für Heizbetrieb • Speichertemperaturregelung • Einbindung eines externen Zusatzwärmeerzeugers (ZWE) W2, Anforderung des W2 erfolgt über eBUS þ Erforderliche Einstellung: Parameter WP001 = 12, Parameter WP104...
  • Seite 3 Einstellhinweise für Anlage mit CGB-2 KB Einheit Adresse Konfiguration HK MK LH RLA Sp ZP Beschreibung • Heiz- oder Warmwasserbetrieb gemäß externer Anforderung durch W1 über eBUS þ Erforderliche Einstellung: Parameter HG10 = 2, Parameter HG13 = RT, Parameter HG16 = 80…100%, Parameter HG17 = 100%,...

Diese Anleitung auch für:

Cgb-2-14-24Bsp-w-1000b