Anmelden
Hochladen
Herunterladen
Inhalt
Inhalt
Zu meinen Handbüchern
Löschen
Teilen
URL dieser Seite:
HTML-Link:
Lesezeichen hinzufügen
Hinzufügen
Handbuch wird automatisch zu "Meine Handbücher" hinzugefügt
Diese Seite drucken
×
Lesezeichen wurde hinzugefügt
×
Zu meinen Handbüchern hinzugefügt
Anleitungen
Marken
Nipponia Anleitungen
Elektro-Scooter
VOLTY
Bedienungsanleitung
Wiring Diagram - Nipponia Volty Bedienungsanleitung
Vorschau ausblenden
Andere Handbücher für VOLTY
:
Bedienungsanleitung
(55 Seiten)
1
2
3
4
5
6
7
8
9
10
11
12
13
14
15
16
17
18
19
20
21
22
23
24
25
26
27
28
29
30
31
32
33
34
35
36
37
38
39
40
41
42
43
44
45
46
47
48
49
50
51
52
53
54
55
56
57
58
59
60
61
62
63
64
65
66
67
68
69
70
71
72
73
74
75
76
77
78
79
80
81
82
83
84
85
86
87
88
89
90
91
92
93
94
95
96
97
98
99
100
101
102
103
104
105
106
107
108
109
110
111
112
113
114
115
116
117
118
119
120
121
122
123
124
125
126
127
128
129
130
131
132
133
134
135
136
137
138
139
140
141
142
143
144
145
146
147
148
149
150
151
152
153
154
155
156
157
158
159
160
161
162
163
164
165
166
167
168
169
170
171
172
173
174
175
176
177
178
179
180
181
182
183
184
185
186
187
188
189
190
191
192
193
194
195
196
197
198
199
200
201
202
203
204
205
206
207
208
209
210
211
212
213
214
215
216
217
218
219
Seite
von
219
Vorwärts
/
219
Inhalt
Inhaltsverzeichnis
Fehlerbehebung
Lesezeichen
Inhaltsverzeichnis
Verfügbare Sprachen
DE
EN
FR
NL
Mehr
Verfügbare Sprachen
DEUTSCH, seite 55
ENGLISH, page 3
FRANÇAIS, page 109
DUTCH, pagina 165
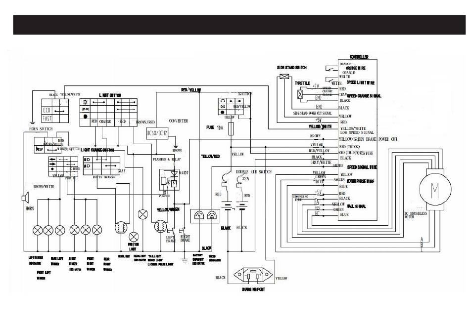
WIRING DIAGRAM
EN
51
Inhalt
sverzeichnis
Vorherige
Seite
Nächste
Seite
1
...
49
50
51
52
53
54
55
56
Kapitel
English
6
Deutsch
58
Français
112
Dutch
168
Inhaltsverzeichnis
Fehlerbehebung
TROUBLESHOOTING
42
FEHLERBEHEBUNG
96
Verwandte Anleitungen für Nipponia VOLTY
Monitore Nipponia VOLTY Bedienungsanleitung
(55 Seiten)
Verwandte Produkte für Nipponia VOLTY
Nipponia VOLTY 2021
Inhaltsverzeichnis
Drucken
Lesezeichen umbenennen
Lesezeichen löschen?
Möchten Sie es aus Ihren Handbüchern löschen?
Anmelden
Anmelden
ODER
Mit Facebook anmelden
Mit Google anmelden
Anleitung hochladen
Von PC hochladen
Von URL hochladen