Anmelden
Hochladen
Herunterladen
Inhalt
Inhalt
Zu meinen Handbüchern
Löschen
Teilen
URL dieser Seite:
HTML-Link:
Lesezeichen hinzufügen
Hinzufügen
Handbuch wird automatisch zu "Meine Handbücher" hinzugefügt
Diese Seite drucken
×
Lesezeichen wurde hinzugefügt
×
Zu meinen Handbüchern hinzugefügt
Anleitungen
Marken
Carson Anleitungen
Controller
DRAGSTER PRO
Betriebsanleitung
Illustration Du Variateur Sans Capteur - Carson Dragster Pro Betriebsanleitung
Brushless regler für 1:10 cars
Vorschau ausblenden
1
2
3
4
5
6
7
8
9
10
11
12
13
14
15
16
17
18
19
20
21
22
23
24
25
26
27
28
29
30
31
32
33
34
35
36
37
38
39
40
41
42
43
44
45
46
47
48
49
50
51
52
53
54
55
56
57
58
59
60
61
62
63
64
65
66
67
68
69
70
71
72
73
74
75
76
77
78
79
80
81
82
83
84
85
86
87
88
89
90
91
92
93
94
95
96
97
98
99
100
101
102
103
104
105
106
107
108
109
110
111
112
113
114
Seite
von
114
Vorwärts
/
114
Inhalt
Inhaltsverzeichnis
Lesezeichen
Inhaltsverzeichnis
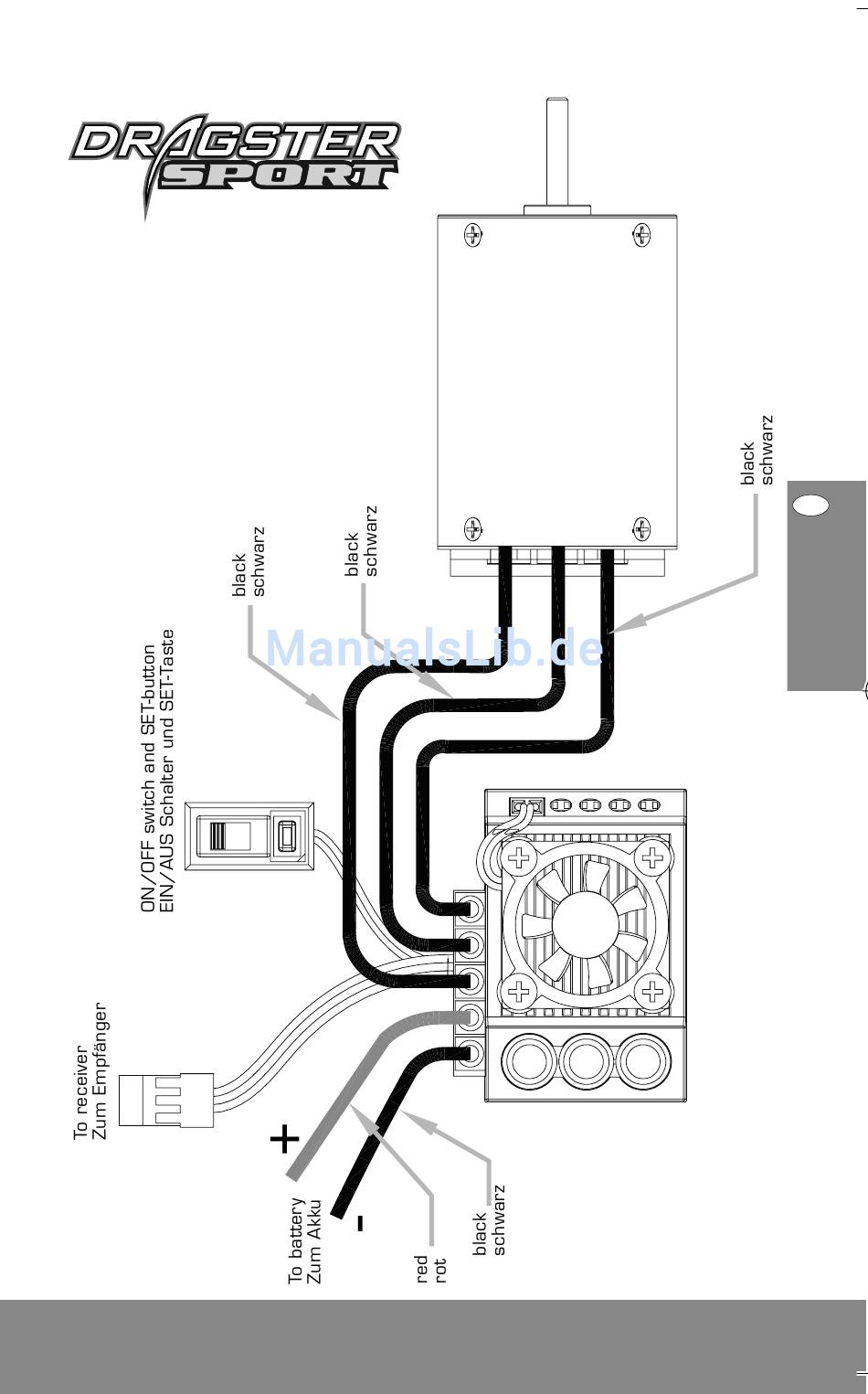
3. Illustration du variateur sans capteur
F
CARSON DRAGSTER Brushless-Regler 906008+906056
49
Inhalt
sverzeichnis
Vorherige
Seite
Nächste
Seite
1
...
46
47
48
49
50
51
52
53
Quicklinks anzeigen
Quicklinks:
Deutsch
Basiseinstellungen am Sender
Abgleichen des Reglers mit dem Fernsteuersender
Led-Anzeige IM Normalbetrieb
Einstellung des Elektronischen Fahrtreglers
Auswahl des Akku-Typs
Quicklinks ausblenden:
Permanent
Temporär
Abbrechen
Kapitel
English
4
Deutsch
24
Français
44
Español
64
Italiano
84
Inhaltsverzeichnis
Verwandte Anleitungen für Carson DRAGSTER PRO
Steuergeräte Carson DRAGSTER SPORT Betriebsanleitung
(100 Seiten)
Controller Carson Dragster XXS Betriebsanleitung
Sensored brushless controller (22 Seiten)
Controller Carson Dragster Betriebsanleitung
Brushless-set/regler für 1:10 cars (26 Seiten)
Controller Carson 6S Betriebsanleitung
Fahrregler (24 Seiten)
Controller Carson Sirius 2 max Bedienungsanleitung
Fahrregler (4 Seiten)
Controller Carson Dragster 6S Betriebsanleitung
Brushless speed controller (72 Seiten)
Verwandte Inhalte für Carson DRAGSTER PRO
Dragster 6S Caractéristiques Techniques Du Moteur Et Du Variateur
Carson Dragster 6S
Diese Anleitung auch für:
Dragster sport
Inhaltsverzeichnis
Drucken
Lesezeichen umbenennen
Lesezeichen löschen?
Möchten Sie es aus Ihren Handbüchern löschen?
Anmelden
Anmelden
ODER
Mit Facebook anmelden
Mit Google anmelden
Anleitung hochladen
Von PC hochladen
Von URL hochladen