Herunterladen Diese Seite drucken
A
B
In-Line Coupling
Body with Shroud
OUTLET
INLET
COLD
HOT
141
(5 35/64")
L. 220 mm
(L. 8 21/32")
L. 220 mm
(L. 8 21/32")
D
C
INLET
COLD
INLET
VENT
250
(9 27/32")
Ø28
(Ø1 7/64")
Ø45
(Ø1 49/64")
L. 250 mm
(9 27/32")
L. 600 mm
(L. 1' - 11 5/8")
G 3/8"
G 3/8"
DATI TECNICI / TECHNICAL DATA
Tubo
Lunghezza
Diam. Esterno
Tube
Lenght
Outside Diameter
420 mm
6,4 mm
A
*
(1'- 4 17/32")
(1/4")
500 mm
12 mm
B
*
(15/32")
' - 7 11/16"
(1
)
500 mm
8 mm
*
C
' - 7 11/16"
(5/16")
(1
)
220 mm
6,3 mm
**
D
(8 21/32")
(1/4")
*
Collegato al boiler (non incluso) / Connected to the boiler (not included)
**
Collegato al sistema di filtraggio dell'acqua (non incluso)
Connected to the water filtration system (not included)
MIL206
Aeratore utilizzabile in cucina e lavanderia
Suitable for kitchen and laundry sink
MANUTENZIONE / MAINTENANCE
NON UTILIZZARE
DO NOT USE
Diam. Interno
Internal Diameter
UTILIZZARE
4,3 mm
TO USE
(11/64")
6 mm
Questi disegni sono proprietà di CEADESIGN SRL s.u. pertanto non potranno
(15/64")
essere utilizzati e/o comunicati a terzi, anche in forma parziale, senza preventiva
autorizzazione. CEADESIGN SRL s.u. si riserva il diritto di apportare modifiche ai
5 mm
disegni al fine di migliorare il prodotto.
(13/64")
CEADESIGN SRL s.u. has the property rights on these drawings, therefore they
3,8 mm
cannot be used and/or transferred to third party, even in partial form, without any
prior authorization. Furthermore CEADESIGN SRL s.u. reserves the right to apply
(5/32")
any change to these drawings in order to upgrade the product.
_ REV11
CEADESIGN STUDIO
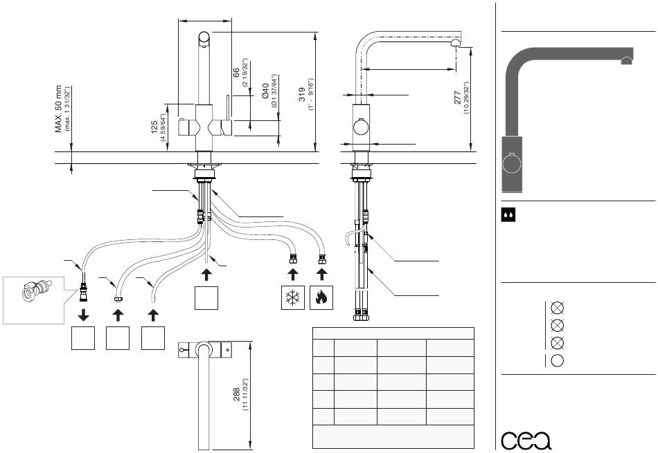
MIL206/MILO360
AISI 316L STAINLESS STEEL
Miscelatore monoforo con rubinetto
apri/chiudi per acqua bollente
istantanea e bocca di erogazione
girevole. Boiler non incluso
Deck mounted mixer with shut off
valve for instantaneous boiling
water and swivelling spout.
Boiler not included
acido clorico e muriatico
HCl
cloric and muriatic acid
acido fluoridrico
HF
hydrofluoric acid
ipoclorito di sodio
NaCl O
chlorine bleach
detergente a pH neutro
pH
7
neutral pH detergent
ceadesign.it
loading

Inhaltszusammenfassung für CEA MILO360 MIL206

  • Seite 1 MIL206 (5 35/64”) _ REV11 CEADESIGN STUDIO (9 27/32”) Ø28 (Ø1 7/64”) MIL206/MILO360 AISI 316L STAINLESS STEEL Ø45 Miscelatore monoforo con rubinetto (Ø1 49/64”) apri/chiudi per acqua bollente istantanea e bocca di erogazione girevole. Boiler non incluso Deck mounted mixer with shut off L.
  • Seite 2 MIL206 _ REV11 AVVERTENZE TECNICHE Risciacquare bene le tubazioni prima del montaggio ed evitare sbalzi di pressione fra i raccordi d’acqua fredda e d’acqua calda. In caso di pressioni statiche superiori a 5 bar si raccomanda l’installazione di un riduttore di pressione per evitare danni alla cartuccia.
  • Seite 3 MIL206 _ REV11 RICAMBI / SPARE PARTS RICA076 Aeratore / Aerator RICC002 Cartuccia / Cartridge RICC023 Adattatore cartuccia / Cartridge adapter RICM098 RICS248 RICF001 Flessibile / Hose KD/Z/P/X - S/L* KD/Z/P/X - S/L* RICF071 Flessibile / Hose RICH024 Ghiera / Sleeve RICH024 RICM098 Maniglia / Handle...
  • Seite 4 MIL206 _ REV11 RICF070 RICF072 RICAMBI / SPARE PARTS RICF063 Flessibile / Hose RICF069 Flessibile / Hose RICF070 Flessibile / Hose RICF072 Flessibile / Hose RICF069 RICF063 Conservare gli strumenti inclusi nel prodotto e utilizzati per l’installazione perchè riutilizzabili per i ricambi. Please, keep the tools included in the item pack and employed for its installation, to re-used them for the spare parts.