Herunterladen Inhalt Inhalt Diese Seite drucken

Bonnet Neve Multifresh Plus Modular Betriebsanleitung Für Betreiber Seite 57

Kühlregal
Inhaltsverzeichnis
Verfügbare Sprachen
  • DE

Verfügbare Sprachen

  • DEUTSCH, seite 32
Modello - Modèle - Model
Modell - Modelo
Fabbricante - Constructeur
Manufacturer - Hersteller
Fabricante
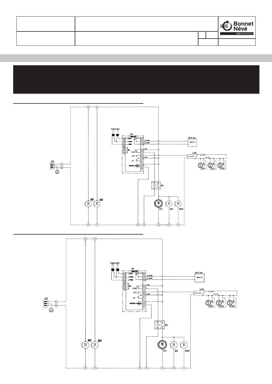
Schema elettrico - Wiring diagram - Schéma électrique
Schaltplan - Esquema eléctrico - Esquema elétrico
MULTIFRESH PLUS 125 MODULAR
MULTIFRESH PLUS 188 MODULAR
MULTIFRESH PLUS MODULAR
MULTIFRESH PLUS MODULAR WL
EPTA S.p.A. - Sede legale
Via Mecenate, 86 - 20138 Milano – Italy
Capitale € 68.515.000 - R.E.A./MI – 1730229
Registro delle Imprese e Cod.Fiscale n. 04160730968
Partita IVA 04160730968
MULTIFRESH PLUS MODULAR
5 7 / 6 0
PAGE
UM000472
N° DOC
Inhaltsverzeichnis
loading

Diese Anleitung auch für:

Multifresh plus modular wl

Inhaltsverzeichnis