Herunterladen Inhalt Inhalt Diese Seite drucken

Bonnet Neve MULTIWINE PLUS Betriebsanleitung Für Betreiber Seite 63

Inhaltsverzeichnis
Verfügbare Sprachen
  • DE

Verfügbare Sprachen

  • DEUTSCH, seite 35
Modello - Modèle - Model
Modell - Modelo
Fabbricante - Constructeur
Manufacturer - Hersteller
Fabricante
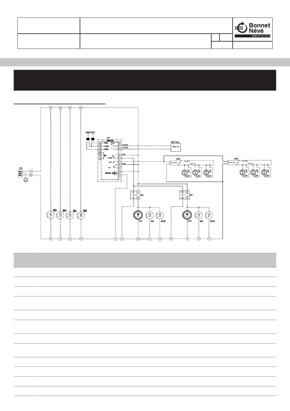
Schema elettrico - Wiring diagram - Schéma électrique
Schaltplan - Esquema eléctrico - Esquema elétrico
MULTIWINE PLUS 250
REF
DISPOSITIVO - DEVICE - DISPOSITIF -
CE
Centralina elettronica - Electronic control - Central électronique - Elektronisches aggregat - Centralita electrónica
CO
CS
LDV
LPS
Alimentatore led - Led power supply unit - Alimentateur led - Led versorgung -
MC
MI
Motoventola interna -
Motoventola vaschetta condensatore - Condensate tray motor fan - Moto-ventilateur bac évap. eau -
MVE
OUT-AL
Uscita allarme (max 7A) - Output alarm (max 7A) - Sortie alarme (max 7A) - Alarmausgang (max 7A) - Salida alarma (max 7A)
PBD
Sonda evaporatore - Evaporator probe - Sonde d'évaporateur - Verdampfer-test - Sonda del evaporador
PBT
Sonda temperatura - Temperature probe -
RC
Relé compressore - Relay compressor - Relè compresseur - Kompressorrelais - Relé compresor
MULTIWINE PLUS
EPTA S.p.A. - Sede legale
Via Mecenate, 86 - 20138 Milano – Italy
Capitale € 68.515.000 - R.E.A./MI – 1730229
Registro delle Imprese e Cod.Fiscale n. 04160730968
Partita IVA 04160730968
Compressore - Compressor - Compresseur - Kompressor - Compresor
Cavo spina - Plug cable - Câble fiche - Steckerkabel - Cable de clavija
Lampada led interno vasca -
Led lampe im innern der wanne - Lámpara led e interior recipiente
Motoventola condensatore - Condenser motor fan - Ventilateur condensateur -
Lüftermotor kondensator - Motoventilador de condensador
Inner motorised fan - Moto-ventilateur intérieur - Motorlüfter - Motoventilador interno
Motorlüfter Wanne Wasserverdampfung - Motoventilador bandeja evaporación agua
Sonde de température - Temperatursonde wanne -
GERÄT -
Tank inner led light - Lampe à led à l'intérieur de la cuve -
6 3 / 6 4
PAGE
UM000474
N° DOC
DISPOSITIVO
Alimentador led
Sonda de temperatura tina
Inhaltsverzeichnis
loading

Inhaltsverzeichnis