Herunterladen Inhalt Inhalt Diese Seite drucken

Composants Principaux - Probuilder 43653 Gebrauchsanweisung

Inhaltsverzeichnis
Verfügbare Sprachen
  • DE

Verfügbare Sprachen

  • DEUTSCH, seite 34
Assurez-vous que la pièce à travailler ne
présente ni clous ni vis ou autres objets
susceptibles d'endommager la lame de scie.
La lame de scie ne s'arrête pas
immédiatement lorsque vous relâchez le
bouton Marche/Arrêt.
Assurez-vous que la scie circulaire
plongeante ne peut endommager aucun
objet, câble ou tuyau présent sous ou
derrière la pièce à travailler, par ex. lorsque
vous sciez des parquets, des cloisons ou des
plafonds.
Faites attention de ne pas tordre la scie,
surtout lorsque vous eff ectuez des coupes
inclinées. La scie pourrait revenir et sortir
d'un seul coup du trait de coupe.
Lorsque vous sciez des pièces, la profondeur
de coupe doit être réglée de telle sorte que
la lame ne dépasse pas plus que la hauteur
d'une dent la pièce à travailler.

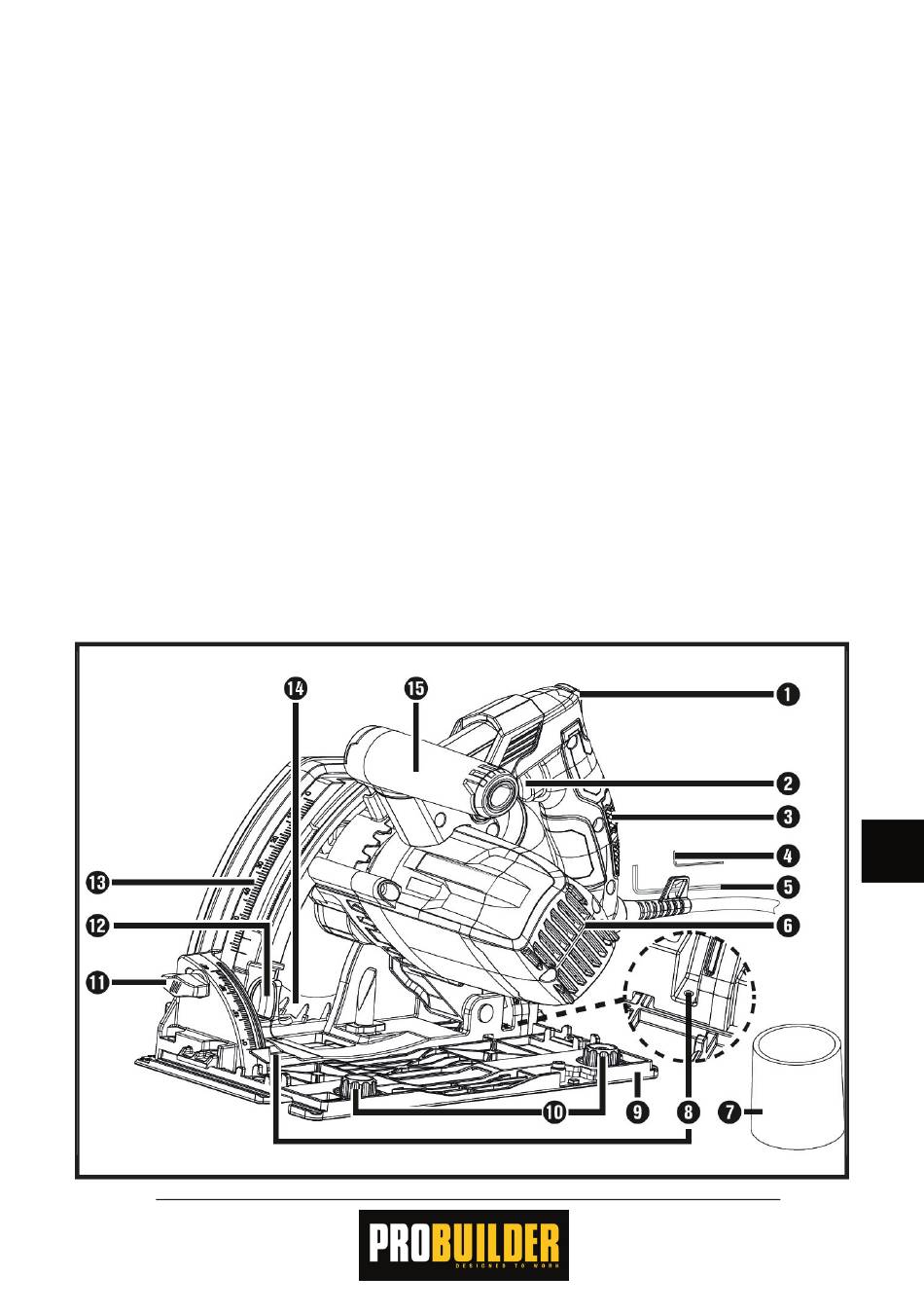
Composants principaux

1. Bouton de sécurité
2. Bouton Marche/Arrêt
3. Poignée arrière
4. Clé Allen (petite, fournie avec l'achat de la
33048)
5. Clé Allen (grande)
6. Moteur
7. Adaptateur d'évacuation des poussières
8. Vis de réglage micrométrique à 0°
8a. Vis de réglage micrométrique à 45°
9. Semelle
9a. Indicateur de trait de coupe
10. Vis excentrique du rail de guidage
11. Bouton de blocage de l'angle
d'inclinaison
12. Bouton de blocage du réglage de
profondeur
13. Jauge de profondeur
FR
71
Inhaltsverzeichnis
loading

Inhaltsverzeichnis