Herunterladen Inhalt Inhalt Diese Seite drucken
Perel Tools 406 Bedienungsanleitung

Perel Tools 406 Bedienungsanleitung

Programmierbarer thermostat
Inhaltsverzeichnis
Verfügbare Sprachen
  • DE

Verfügbare Sprachen

1. Introduction & Features
To all residents of the European Union
Important environmental information about this product
This symbol on the device or the package indicates that disposal of the device after its lifecycle could harm
the environment.
Do not dispose of the unit (or batteries) as unsorted municipal waste; it should be taken to a specialised
company for recycling.
This device should be returned to your distributor or to a local recycling service.
Respect the local environmental rules.
If in doubt, contact your local waste disposal authorities.
Thank you for buying the PROGRAMMABLE THERMOSTAT! Please read the manual thoroughly before bringing this
device into service. If the device was damaged in transit, don't install or use it and contact your dealer.
The digital programmable thermostat is battery operated. It has 7-days preset programs to suit most of the family's
style. It can be easily adjusted to fit your own living style with few programming steps. The thermostat is operated by
2 X AA size batteries. It can therefore replay any mechanical standard 2-wire thermostat. Note that the maximal
resistive load is 5 amps.
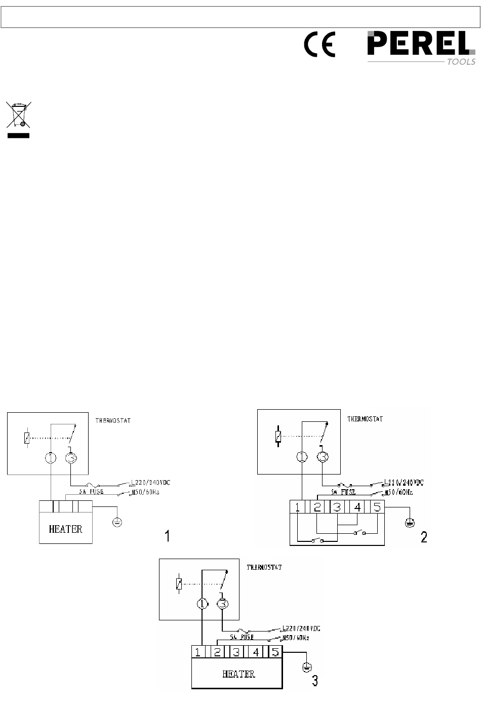
2. Installation
If you connect the thermostat to a 230VAC system, make sure the power is switched off and that only a person with
good electrical knowledge does the installation. If you have a mechanical thermostat commented with 2 wires, just
take away the old thermostat and replace it with this thermostat. Connect the 2 wires to the terminals as shown in
figure 1 to 3. If you do not have a previous thermostat that you wish to replace, install a 2-wire cable to the heating
system (see fig. 1 to 3) or consult with your professional electrician. Before installing thermostat, install the
thermostat on the location of the old thermostat:
406
406 – PROGRAMMABLE THERMOSTAT
1
PEREL
Inhaltsverzeichnis
loading

Inhaltszusammenfassung für Perel Tools 406

  • Seite 13: Especificaciones

    2 pilas AA (no incl.) Rango de temperatura 5°C ~ 30°C Se pueden modificar las especificaciones y el contenido de este manual sin previo aviso. 406 – PROGRAMMIERBARER THERMOSTAT 1. Einführung & Eigenschaften An alle Einwohner der Europäischen Union Wichtige Umweltinformationen über dieses Produkt Dieses Symbol auf dem Produkt oder der Verpackung zeigt an, dass die Entsorgung dieses Produktes nach seinem Lebenszyklus der Umwelt Schaden zufügen kann.
  • Seite 14 1. Installieren Sie den Thermostat wie folgt: a. ungefähr 160cm über dem Boden, an der Wand mit einer konstanten Temperatur. b. nur an einer Innenwand (nicht an der Wand der Außentür). c. keinem direkten Sonnenlicht aussetzen. d. nicht in der Nähe einer Heizung, eines Ofens oder eines Lüftungssystems. e.
  • Seite 15 zeigt, dass die Nachttemperatur (ET) für 0:00 - 5:59 und 8:00 - 15:59 eingestellt ist und für die Perioden 6:00 – 7:59 und 16:00 – 22:59 die Komforttemperatur gilt. Bemerken Sie, dass 23:00 – 0:00 auf Nachttemperatur eingestellt ist. Drücken Sie die -Taste und das voreingestellte Programm für den nächsten Tag erscheint auf dem Display.
  • Seite 16: Reset-Funktion

    zum Bestätigen Ihrer Wahl. Drücken Sie die + oder − Taste um die gewünschte Temperatur zu selektieren. Drücken Sie die -Taste zum Bestätigen. Annullieren der manuellen Unterbrechungen Drücke Sie oder um zum laufenden Programm zurückzukehren oder drücken Sie um das Gerät auszuschalten.

Inhaltsverzeichnis